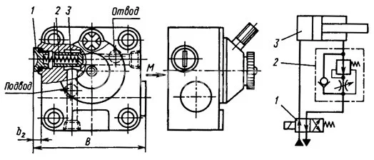
регулятор расхода (М)ПГ55-62
✓ Сертифицированное оборудование
✓ Гарантия надежной эксплуатации
✓ Контроль качества на каждом этапе
✓ Современное оборудование
✓ Быстрая отгрузка
Технические характеристики:
Условный проход: 10 мм
-
Номинальный расход рабочей жидкости: 30 л/мин
Номинальное давление: 20 МПа
-
Масса,кг: 6,5
-

Регулятор потребления МПГ 55-62 относится к группе гидравлического оборудования и служит для точного регулирования скорости настройки станочных узлов, обеспечивая стабильную работу независимо от нагрузки на конвейерную ленту. Устройство работает только на чистых и минеральных маслах с фильтром не более 25 мкм и кинематической вязкостью в диапазоне 10–260 мм²/с при рабочей температуре масла 10–70°C и внешней среды 1–40°C. Выпускаются модификации: трёхлинейная и двуxлинейная.