регулятор расхода (дроссель) ПГ55-24
✓ Сертифицированное оборудование
✓ Гарантия надежной эксплуатации
✓ Контроль качества на каждом этапе
✓ Современное оборудование
✓ Быстрая отгрузка
Технические характеристики:
Условный проход, мм.: 16
Номинальное давление на выходе, МПа: 20
Номинальный расход рабочей жидкости, л./мин: 80
Тип монтажа: стыковой
Масса, кг.: 9

Дроссели с регулятором и предохранительным клапаном типов ПГ55-2 предназначены для регулирования скорости движения рабочих органов в гидросистемах станков и других машин, независимо от величины нагрузки. Они обеспечивают защиту гидросистем от перегрузки и автоматическую настройку давления в зависимости от нагрузки. Дроссели работают на минеральных маслах Т-22 и ВНИИНП-403 при температуре масла от +10 до +60 °C. Допустимый уровень загрязнения жидкости составляет не более 25 мкм, а класс чистоты масла должен быть не ниже 14 по ГОСТ 17216-71. Также возможна работа на других типах минеральных масел с аналогичными характеристиками и кинематической вязкостью от 10 до 250 сСт.
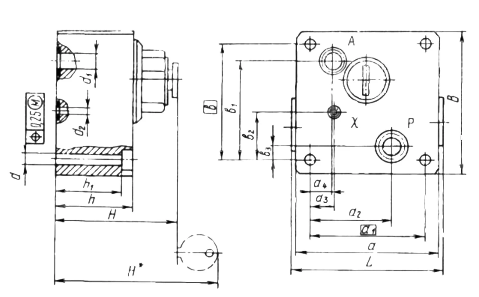
Устройство дросселя (рис.1) включает корпус, золотник, дроссель, лимб, пружины, шаровой клапан, поршни и другие элементы. Дроссель представляет собой комбинацию золотника и дросселя, которая обеспечивает независимость расхода масла от давления в системе. Масло от насоса поступает в дроссель и, проходя через специальные отверстия, попадает в рабочую полость гидроцилиндра. При избыточном расходе масла золотник смещается, связывая дроссели и реализуя слив в бак. Дроссель обеспечивает поддержание постоянного давления, а в случае повышения давления выше установленного уровня, шаровой клапан открывается, позволяя сбрасывать лишнее масло.
Для обслуживания дросселя допускается только ознакомленный с его устройством персонал. Ремонтные работы следует выполнять только при остановленной гидросистеме, демонтаж под давлением запрещается. Перед установкой дросселя следует удалить консервационную смазку, используя бензин или уайт-спирт, а затем высушить поверхности. Крепление производится с помощью четырех винтов, а подключение осуществляется через три резьбовых отверстия. Монтаж дросселя может быть выполнен в горизонтальном или вертикальном положении, а сливная труба должна быть установлена с особой тщательностью для предотвращения засасывания воздуха. Регулировка расхода масла осуществляется поворотом лимба, а настройка давления шарового клапана производится с помощью винта, фиксируемого контргайкой.