Пневмоцилиндр 0822 202 202
✓ Сертифицированное оборудование
✓ Гарантия надежной эксплуатации
✓ Контроль качества на каждом этапе
✓ Современное оборудование
✓ Быстрая отгрузка
Основные параметры клапана:
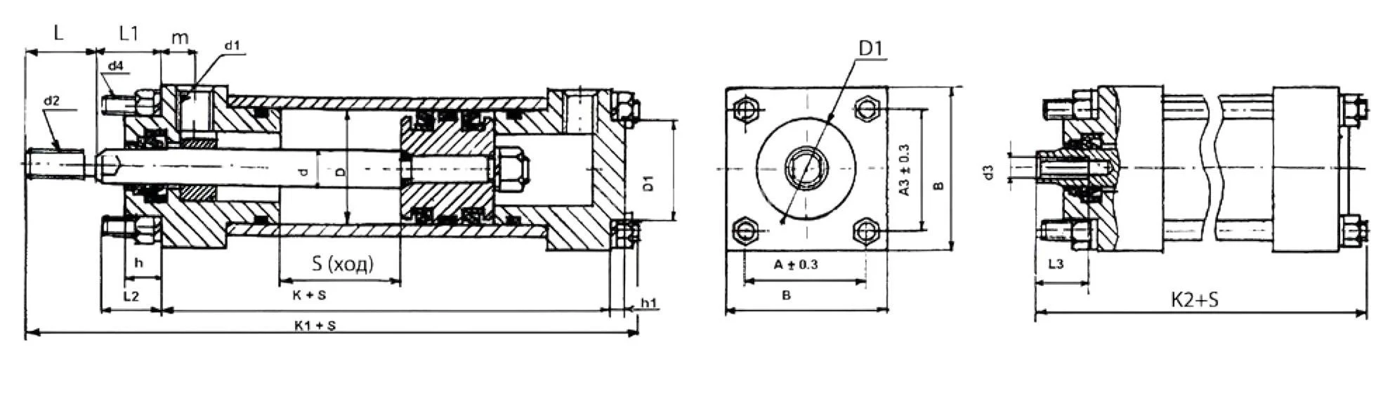
Диаметр цилиндра, мм: 50
Длина цилиндра: 75
Давление нагнетания ном., МПа: 1
Масса, кг: 3

Пневмоцилиндр BOSCH служит для преобразования энергии сжатого воздуха в механическое линейное перемещение и выступает исполнительным элементом пневмосистем производственного оборудования, наземного транспорта и технологической оснастки.
Поршневые пневмоцилиндры двухстороннего действия могут оснащаться регулируемым демпфированием на концах хода.
Диаметр доступных цилиндров BOSCH: 32, 40, 50, 63, 80, 100, 125, 160 и 200 мм, ход штока — от 10 до 1600 мм.
Возможна установка магнитного кольца на поршне для бесконтактного определения положения с помощью герконовых датчиков.
Цилиндры могут снабжаться различными способами крепления: ушко, фланец, лапы, цапфа по требованиям заказчика.