Пневмораспределитель В64-13А-05
✓ Сертифицированное оборудование
✓ Гарантия надежной эксплуатации
✓ Контроль качества на каждом этапе
✓ Современное оборудование
✓ Быстрая отгрузка
Технические характеристики:
Условный проход, мм: 10
Номинальное давление, МПа: 0,63
Тип монтажа: стыковое
Масса , кг.: 1,45

Пневмораспределители В64-13А, В64-14А, В64-15А с резьбовым подключением к пневмолиниям представляют собой четырехлинейные двухпозиционные устройства с двухсторонним электроприводом и пружинным или пневматическим возвратом. Их задача — менять направление потоков сжатого воздуха в промышленном пневмоприводе.
У пневмораспределителей с двусторонним электропневматическим управлением В64-13А, В64-14А, В64-15А перемещение поршня 2 и штока 1 происходит при подаче переменного или постоянного напряжения на электромагнитную катушку клапана 7. Сжатый воздух, выходящий из клапана и поступающий к соответствующему торцу поршня, смещает поршень.
Чтобы переместить поршень в противоположном направлении, нужно снять питание с электромагнитной катушки управляющего клапана и подать напряжение на катушку другого пилотного клапана пневмораспределителя.
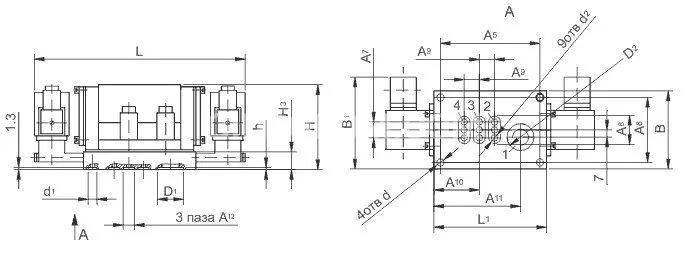
Габаритные и присоединительные размеры пневмораспределителей типа В64 с двусторонним электроприводом В64-13А, В64-14А, В64-15А приведены на рисунке выше.