Пневмораспределитель В63-14М
✓ Сертифицированное оборудование
✓ Гарантия надежной эксплуатации
✓ Контроль качества на каждом этапе
✓ Современное оборудование
✓ Быстрая отгрузка
Технические характеристики:
Условный проход, мм: 16
Номинальное давление, МПа: 0,63
Тип монтажа: резьбовой
Масса , кг.: 1,45

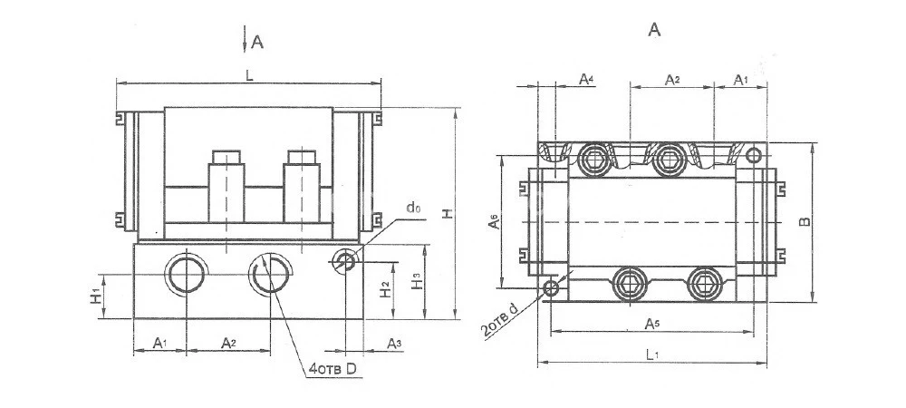
Пневмораспределители типа В63-..М тип управления: пневматическое, механопневматическое и механическое.
Представляют собой четырехлинейные двухпозиционные устройства с двухсторонним и односторонним пневмоуправлением и возвратом в исходное положение либо пружинным, либо пневматическим способом. Этот тип распредителей применяется в разных пневмоприводах и служит для изменения направления потоков сжатого воздуха. Устройство распределения — плоский притёртый золотник.
Они работают на сжатом воздухе, очищенном по качеству не ниже 10 класса загрязнённости, и содержащем распылённое масло вязкостью 10-35 мм²/с (кс) при температуре до 50 °C.
Изготавливаются с климатическим исполнением УХЛ и О и размещением 4 по ГОСТ 15150.
Монтаж
При монтаже нужно учитывать способ возврата золотника:
- пневмораспределители с обоими типами управления и пневматическим возвратом устанавливают так, чтобы их продольные оси находились в горизонте, чтобы предотвратить самопроизвольное перемещение поршня с золотником при равенстве давлений в управляющих полостях или при падении давления во внутренней полости;
- пневмораспределители с пружинным возвратом монтируются в любом положении.
Виброустойчивость и вибропрочность соответствуют I степени жесткости по ГОСТ 28988.
Есть два варианта присоединения пневмораспределителей типа В63-..М:
- стыковое нижнее с плитой;
- резьбовое с плитой и боковым расположением отверстий (наружные резьбы: G3/8-A, G1/2-A, G3/4-A).
Изготавливаются с условным проходом Ду = 10, 16 и 20 мм.