Пневмодроссель с обратным клапаном 0821 200 008 BOSCH
✓ Сертифицированное оборудование
✓ Гарантия надежной эксплуатации
✓ Контроль качества на каждом этапе
✓ Современное оборудование
✓ Быстрая отгрузка
Технические характеристики:
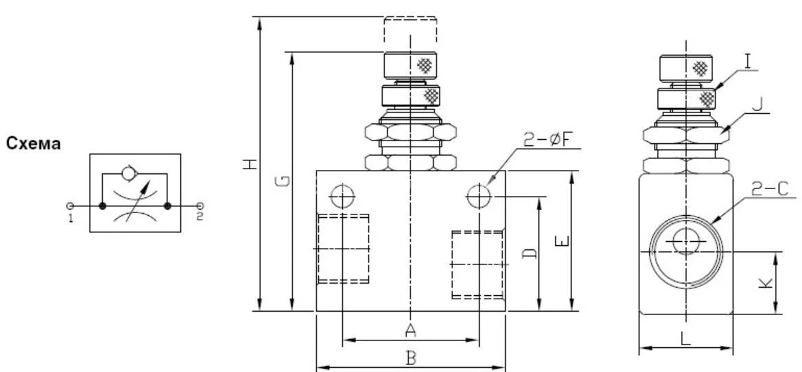
Условный проход , мм.: 4
Номинальное давление, МПа: 1,5
Присоединение: резьбовые отверстия G ⅛
Габаритные размеры: 74×28×50 мм
Масса, кг.: 0,1

Пневмодроссели (регуляторы расхода) пр-во Bosch с обратным клапаном применяются для контроля расхода сжатого воздуха в диапазоне давлений от 0,1 до 1,0 МПа в одном направлении и обеспечения свободного прохождения воздуха в противоположном направлении.
Настройка дросселя П-ДК под требуемый расход сжатого воздуха осуществляется поворотом регулировочной ручки, фиксирующейся гайкой. При изменении направления движения потока сжатого воздуха резиновая пневматическая манжета отделяется от посадочного седла в корпусе, что обеспечивает свободный проход воздуха в обратном направлении.
Сжатый воздух, подводимый к дросселям ПДК, должен соответствовать классу загрязненности не выше 10. Виброустойчивость и вибропрочность дросселей соответствуют II степени жесткости.
Пневмодроссели пр-во Bosch монтируются непосредственно на трубопроводе через два присоединительных отверстия или на панели с использованием гайки, либо через два отверстия, выполненных на корпусе. Стрелка на корпусе указывает направление потока сжатого воздуха, при котором обратный клапан закрыт, и воздух проходит через дроссельное отверстие. Пневмодроссели могут быть установлены в любом пространственном положении.