плита монтажная к 1Р203 труб. монтаж выход вбок (DD-08-SP-S-6B)
✓ Сертифицированное оборудование
✓ Гарантия надежной эксплуатации
✓ Контроль качества на каждом этапе
✓ Современное оборудование
✓ Быстрая отгрузка
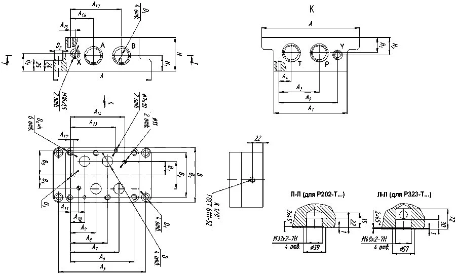
Присоединительная плита типа DD и гидравлический распределитель отшлифованы и имеют присоединительные отверстия, расположенные в соответствии с типоразмером и группой устанавливаемых устройств. Положение присоединительных отверстий на клапане совпадает с расположением отверстий на плите, а схема их размещения выполнена по стандарту. Распределитель фиксируется к присоединительной плите при помощи винтов, а уплотнение обеспечивается круглыми кольцами.
Резьбовые соединения магистралей находятся на нижней стороне присоединительной плиты, что позволяет быстро и легко снимать клапан без необходимости отсоединения магистралей. Подключение к присоединительной плите примерно аналогично подключению магистрали к клапану с использованием нарезки в корпусе, что исключает необходимость дополнительных трубопроводов.
Тип монтажа переходных плит DD - с перехода на трубное соединение.
Выходное отверстие может располагаться вниз или сбоку (нужно уточнить при заказе).
