пластинчатый насос PVV2-1X/05 5RA15RMB (FD 305 20)
✓ Сертифицированное оборудование
✓ Гарантия надежной эксплуатации
✓ Контроль качества на каждом этапе
✓ Современное оборудование
✓ Быстрая отгрузка
Технические характеристики:
Номинальная подача, л/мин: 112
Номинальное давление на выходе, МПа: 21
Частота вращения, об./мин. : 1500 об./мин.

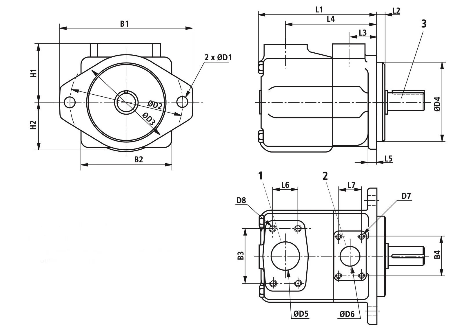
Гидравлические насосы PVV и PVQ представляют собой насосы с постоянной производительностью, основанные на пластинчатой конструкции. Ротор, установленный на шлицах приводного вала, вращается внутри статорного кольца. Лопасти, размещенные в пазах ротора, прижимаются к внутренней поверхности статорного кольца благодаря центробежной силе при вращении. Вытеснительные камеры закрыты с боков управляющими пластинами. Особая форма статорного кольца формирует две напорные и две всасывающие камеры, которые располагаются напротив друг друга, что позволяет разгрузить приводной вал, который воспринимает только крутящий момент. В процессе работы лопасти частично разгружаются при прохождении через зоны всасывания. Это снижает износ и способствует достижению высокого КПД. Снятие картриджа насоса, состоящего из ротора, лопастей, статорного кольца и регулирующих пластин, производится просто – достаточно убрать крышку, не снимая корпус с кронштейна. Это обеспечивает быстрый ремонт и обслуживание насоса.
Конструкция насоса типа PVV обеспечивает его отличную применимость в мобильных установках. Регулирующие пластины имеют особую конструкцию, которая компенсирует тепловое расширение ротора и уменьшает влияние резких перепадов давления. Разделение регулирующих пластин на гибкие диски и крышки формирует камеры противодавления, которые уравновешены относительно давления в вытесняющих камерах. Это гарантирует оптимальный зазор между ротором и гибкими дисками, обеспечивая высокую объемную эффективность.
Двойные насосы PVV и PVQ создаются путем добавления второго насосного картриджа на общий вал. Масло поступает через общее всасывающее соединение в центральном корпусе, а выход осуществляют через отдельные насосные картриджи. Напорный патрубок переднего насоса расположен во фланцевом корпусе, а для заднего – в крышке. Крупнейший насосный картридж всегда устанавливается на торце фланцевого корпуса, что делает невозможным использование картриджей одного размера в сдвоенных насосах.