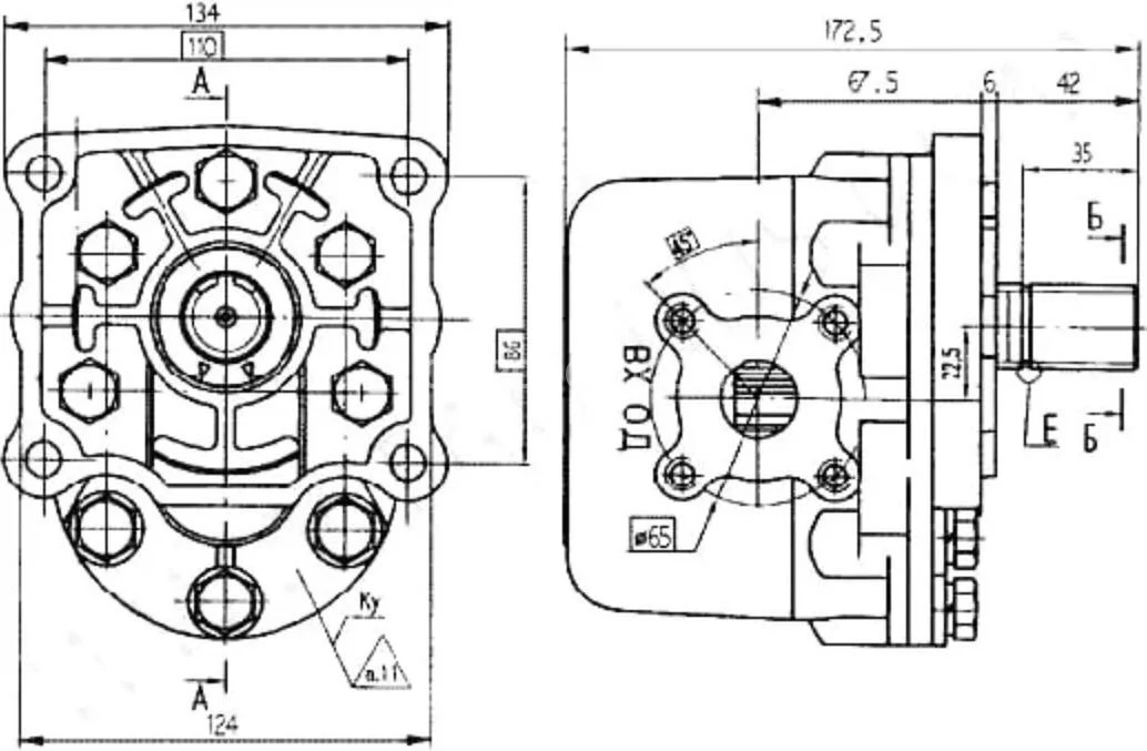
насос шестеренный НШ32М-3
✓ Сертифицированное оборудование
✓ Гарантия надежной эксплуатации
✓ Контроль качества на каждом этапе
✓ Современное оборудование
✓ Быстрая отгрузка
Технические характеристики:
Номинальная подача, л/мин: 68,6
Номинальное давление на выходе, МПа: 16
Частота вращения, об./мин.: 40
Масса, кг: 7

Насосы шестеренного типа НШ32-4 и НШ32А-3 (для правого вращения) и НШ32-4Л и НШ32А-3Л (для левого вращения) имеют номинальное выходное давление 20 МПа для моделей НШ32-... и 16 МПа для НШ32А-... Они предназначены для подачи рабочей жидкости в гидравлические системы тракторов и других машин.
Модели НШ32-4 и НШ32А-3 выпускаются с правым и левым вращением, в зависимости от конфигурации. Режим левого вращения подразумевает, что ведущий ротор вращается против часовой стрелки, а правого - по часовой стрелке, если смотреть с стороны привода.
Пример маркировки насоса: НШ32У-3 Л, где:
- НШ - шестеренный насос;
- 32 - рабочий объём насоса (см³);
- У - условная маркировка производителя;
- 3 - номинальное давление на выходе 16 МПа;
- Л - направление вращения ведущего ротора (левое, если смотреть со стороны привода; правое не обозначается).
Насосы НШ32С-3 и НШ32С-3Л также имеют версии с правым и левым вращением. Левое вращение – это движение ведущего ротора против часовой стрелки, правое – по часовой стрелке.
Пример маркировки насоса НШ32У-3 Л аналогичен представленному выше.
Насосы НШ32С-3 и НШ32С-3Л применяются на таких машинах, как ДТ-75, Т-130, Т-170, Т-150, Нива, Сибиряк, Кедр, Енисей-1200, ЗИЛ, ФАЗ и Б-10.02.
В шестеренном насосе НШ-32 рабочая жидкость нагнетается за счет взаимодействия ведущей и ведомой шестерен, расположенных между подшипниковой и поджимной обоймами, а также пластинами.
Подшипниковая обойма с антифрикционными вкладышами служит опорой для всех шестерен. Поджимная обойма, под воздействием рабочего давления, уплотняет зубья шестерен, находящиеся в зоне высокого давления.
Опорная пластина перекрывает зазор между корпусом и поджимной обоймой, а боковые поверхности шестерен уплотняются пластинами под определённым давлением. Процесс предотвращения выдавливания торцевых манжет обеспечивается рядом защитных элементов, таких как пластинки, кольца и прокладки.
Ведущий вал насоса уплотняется манжетами, которые фиксируются специальными кольцами. Центрирование вала осуществляется с помощью шпонки.
Крышка насоса крепится к корпусу с помощью болтов, а герметичность между ними обеспечивается резиновым уплотнительным кольцом. Для транспортировки входные и выходные отверстия насосов закрываются пробками.