Насос пластинчатый регулируемый PV7-20/20-25RA01MAO-10 Rexroth
✓ Сертифицированное оборудование
✓ Гарантия надежной эксплуатации
✓ Контроль качества на каждом этапе
✓ Современное оборудование
✓ Быстрая отгрузка
Технические характеристики:
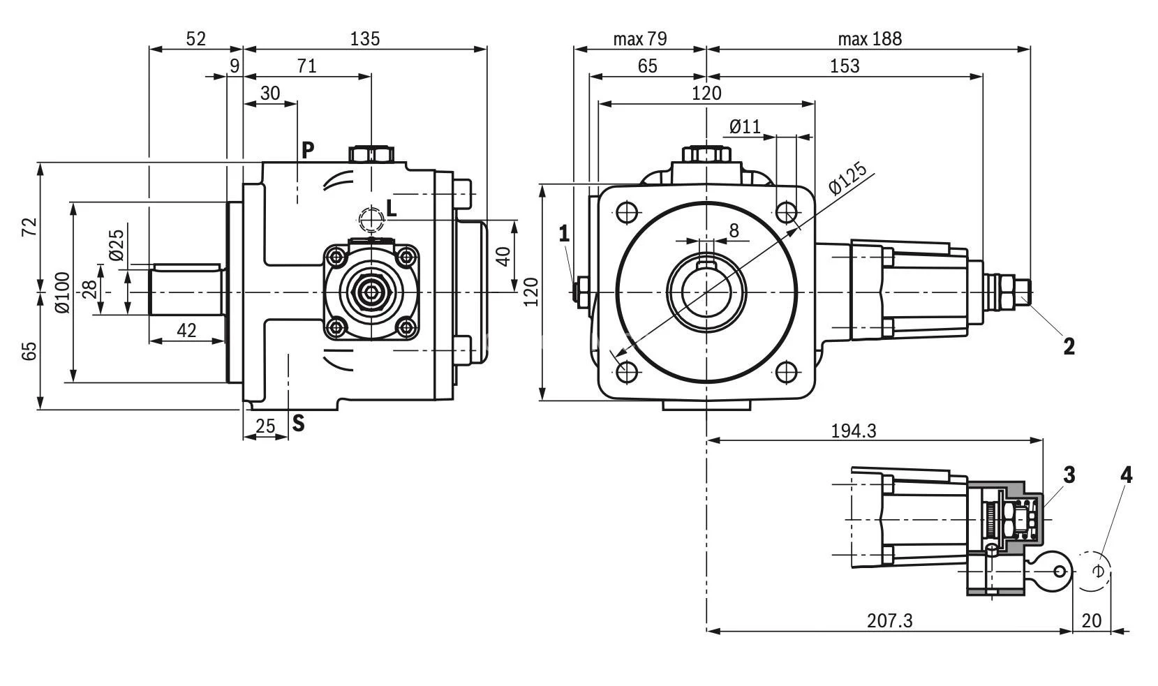
Номинальная подача, л/мин: 45
Номинальное давление на выходе, МПа: 10

Гидронасосы типа PV7...A представляют собой пластинчатые насосы прямого действия с регулируемой производительностью. Они состоят из корпуса, крышки, ротора, лопастей, статорного кольца, пружины сжатия, установочного винта и регулирующей пластины. Для ограничения максимального расхода насос оснащён установочным винтом. Ведомый ротор вращается внутри статорного кольца, создавая центробежную силу, которая прижимает лопасти к внутренним поверхностям статорного кольца.
Процесс всасывания и вытеснения происходит благодаря образованию ячеек, необходимых для транспортировки гидравлической жидкости. Эти ячейки формируются лопастями, ротором, статорным кольцом, регулирующей пластиной и крышкой. Объём ячеек увеличивается при вращении ротора, заполняясь гидравлической жидкостью через всасывающий канал. Когда ячейки достигают максимального объёма, они отделяются от всасывающей стороны. При дальнейшем вращении ротора соединение устанавливается с напорной стороной, ячейки сжимаются и вытесняют жидкость через напорный канал в систему.
Давление в системе регулируется статорным кольцом, которое удерживается в эксцентричном положении пружиной. Максимальное рабочее давление устанавливается установочным винтом с помощью пружины. Давление, создаваемое нагрузкой, действует на внутреннюю поверхность статорного кольца, преодолевая усилие пружины. Как только давление достигает установленного уровня, статорное кольцо возвращается в нулевое положение, и расход стабилизируется на заданном значении. При достижении пикового давления насос регулирует расход практически до нуля, поддерживая рабочее давление и компенсируя только утечки. Таким образом, потери мощности и нагрев гидравлической жидкости минимизированы.