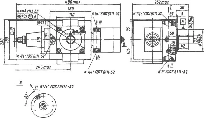
Насос пластинчатый регулируемый 2Г12-54АМ-2,5
✓ Сертифицированное оборудование
✓ Гарантия надежной эксплуатации
✓ Контроль качества на каждом этапе
✓ Современное оборудование
✓ Быстрая отгрузка
Технические характеристики:
Номинальная частота вращения об/мин-1500
Номинальная подача, л/мин: 58
Номинальное давление на выходе, МПа: 2,5

Насос 2Г12-54АМ-2,5 представляет собой регулируемый пластиночный насос с дистанционным управлением подачей и постоянным направлением потока масла. Он предназначен для подачи минерального масла под давлением до 6,3 МПа в гидравлические системы станков, металлорежущего оборудования, агрегатов и других машин. Данная модель насосов позволяет изменять подачу масла от установленного номинального значения до нуля при достижении в системе давления, соответствующего настройке специального клапана. Регулировка давления осуществляется механическим способом. Также предусмотрено механическое изменение рабочего объема для уменьшения величины номинальной подачи масла. Расчетная частота вращения привода составляет 1450 об/мин, вращение направлено вправо, по часовой стрелке, со стороны приводного устройства. Диапазон кинематической вязкости перекачиваемого масла составляет 25-160 мм²/с (сСт) при температуре от -10 до +70 °C. Тонкость фильтрации масла составляет 25 мкм.