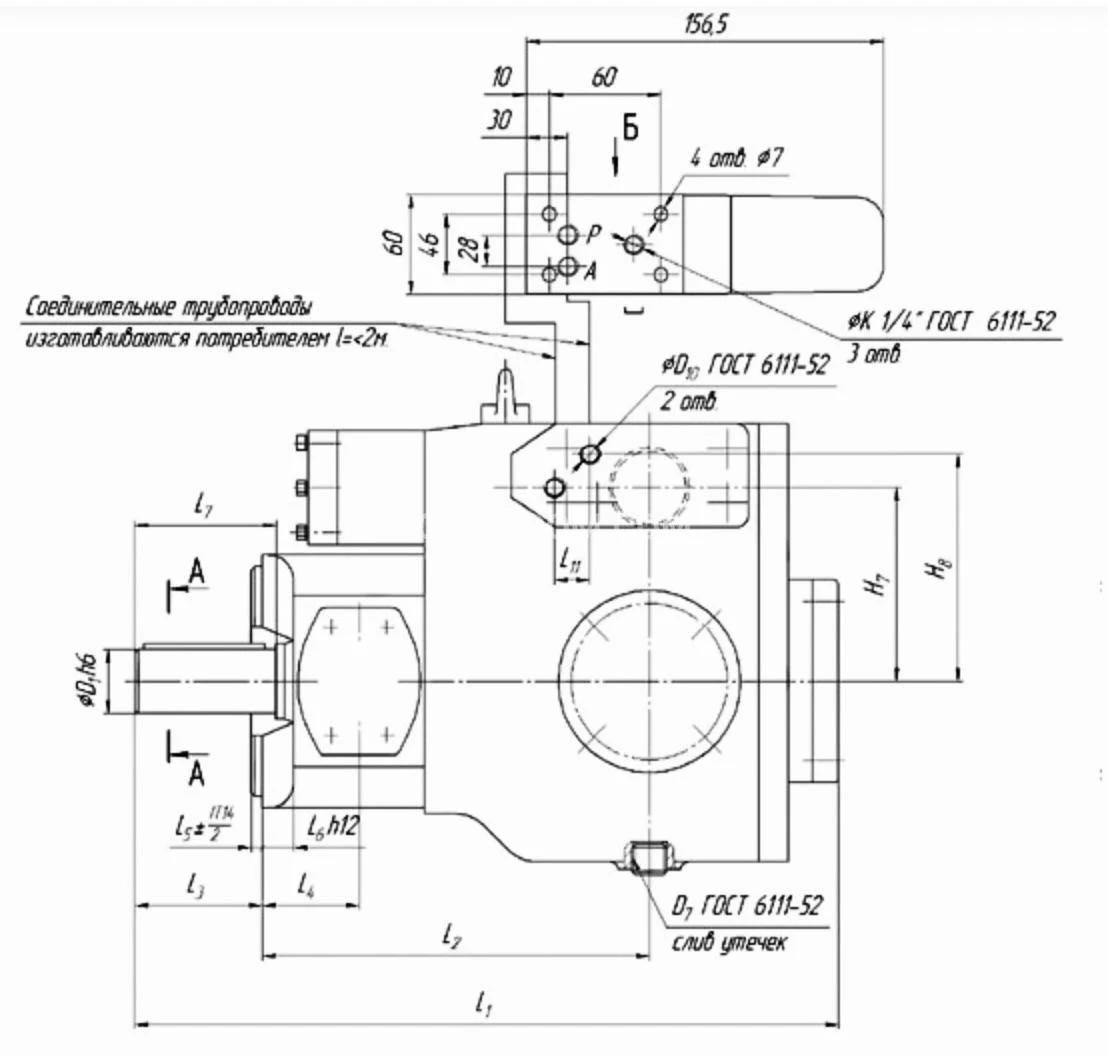
Насос аксиально-поршневой регулируемый РНА1Р32/320
✓ Сертифицированное оборудование
✓ Гарантия надежной эксплуатации
✓ Контроль качества на каждом этапе
✓ Современное оборудование
✓ Быстрая отгрузка
Технические характеристики:
Номинальная подача, л/мин: 45
Номинальное давление на выходе, МПа: 32
Частота вращения, об./мин.: 1500
Масса, кг: 42

Гидронасос РНА1Р-32/320 относится к серии регулируемых аксиально-поршневых насосов с наклонным диском и обеспечивает постоянное направление потока. Он предназначен для работы в качестве нагнетающего устройства высокого давления в гидравлических системах тяжелого машиностроения и обладает широким спектром применения.
Принцип работы насоса РНА1Р-32/320 заключается в следующем: ротор, который также выполняет функцию блока цилиндров, установлен на составном шлицевом валу. При вращении ротора сферические головки поршней плотно прижимаются к наклонному опорному диску. Это приводит к обратнопоступательным движениям поршней, что, в свою очередь, обеспечивает всасывание и выброс рабочей жидкости из цилиндров.
Модель РНА1Р-32/320 оснащена механизмом дистанционной регулировки выходной мощности, который автоматически поддерживает постоянную мощность в зависимости от давления на выходе насоса. Управляющий блок получает питание от вспомогательного насоса, совместно установленного с основным.
Из-за высоких нагрузок на механизм насоса, его длительная работа в условиях, превышающих номинальные параметры, не рекомендуется. Аксиально-поршневые регулируемые насосы РНА с рабочими объемами 32 см³, 63 см³, 90 см³, 125 см³ и 250 см³ предназначены для нагнетания жидкости до 32 МПа в гидросистемы различных машин и агрегатов, где требуется поддержка постоянной мощности при изменяющемся давлении и подаче. Основное конструктивное исполнение насосов РНАМ – нереверсивное с управлением подачи от собственного потока; возможна версия с интегрированным пластинчатым насосом.
Например, условное обозначение может выглядеть так: РНА1Р-32/320 УХЛ4 — это регулируемый аксиально-поршневой насос с мощностным регулятором, объемом 90 см³ и номинальным давлением 320 кгс/см², с поддерживаемой мощностью 45% от номинальной, в умеренном климатическом исполнении и 4 категории размещения по ГОСТ 15150-63.
Насос РНА1Р-32/320 представляет собой современный аксиально-поршневой насос, отличающийся высокой эффективностью и универсальностью. Его производительность составляет 45 л/мин, что позволяет использовать его для различных задач, включая гидравлические системы разных масштабов. Объем 32 см³ обеспечивает надежную работу даже при высоких нагрузках, а давление до 32 МПа гарантирует эффективное перемещение жидкостей и устойчивую работу гидросистем.
При вращении вала, который неподвижно соединен с блоком цилиндров, плунжеры совершают возвратно-поступательные движения благодаря постоянному прижиму башмаков к шайбе скольжения. Рабочая жидкость проходит через всасывающие полости и нагнетается в выходную область насоса. Управляющий цилиндр с поршнем перемещает качающий механизм, меняя подачу насоса. Регулятор мощности включает в себя золотник, возвратную втулку, кулачок и пружины, и работает таким образом, что изменение давления в системе влечет за собой изменение подачи насоса.