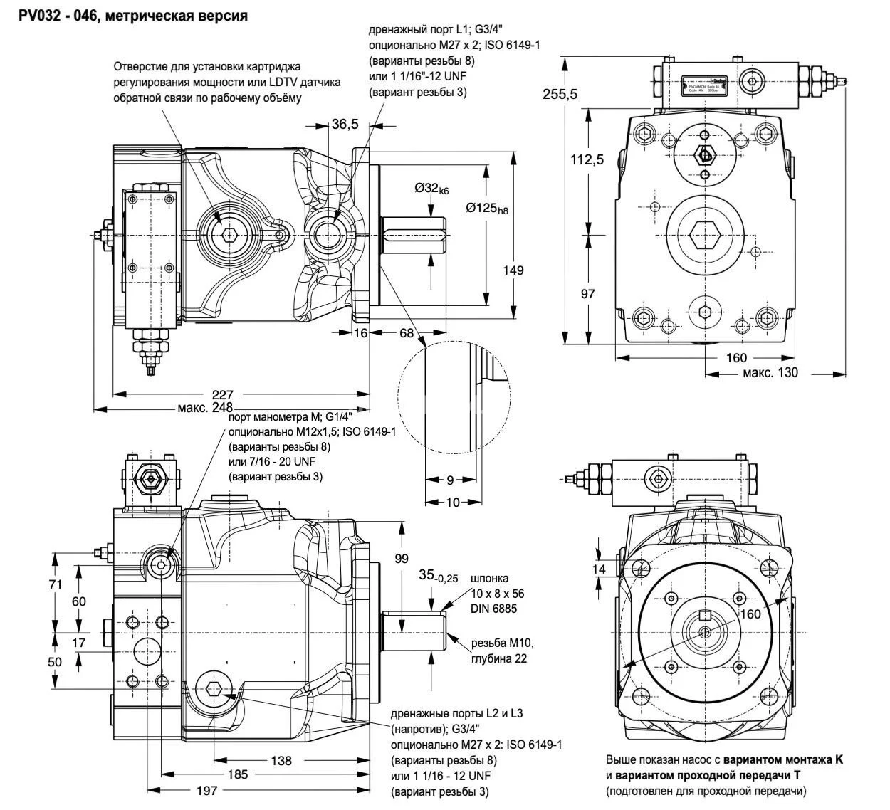
Насос аксиально-поршневой регулируемый PV032R1K1T1NMMW PARKER
✓ Сертифицированное оборудование
✓ Гарантия надежной эксплуатации
✓ Контроль качества на каждом этапе
✓ Современное оборудование
✓ Быстрая отгрузка
Технические характеристики:
Номинальная подача, л/мин: 48
Номинальное давление на выходе, МПа: 35
Частота вращения, об./мин.: 1500
Масса, кг: 35

**Рекомендуемые рабочие жидкости**
Рекомендуется применять минеральные гидравлические жидкости высокого качества, такие как масла HLP по стандарту DIN 51524, часть 2. Минимальное значение по Бруггеру должно составлять 30 Н/мм² для общего использования и 50 Н/мм² для гидравлического оборудования, работающего под высокими нагрузками, частотой циклов и/или динамическими нагрузками (измеряется по стандарту DIN 51 347-2, см. также документ HY30-3248/UK по гидравлическим жидкостям Parker).
**Вязкость**
Номинальная рабочая вязкость должна быть в диапазоне от 16 до 100 мм²/с (сСт). Максимальная вязкость при запуске составляет 1000 мм²/с (сСт).
**Фильтрация**
Для обеспечения максимальной эффективности работы и длительного срока службы насоса и компонентов системы необходимо предусмотреть качественную фильтрацию, защищающую систему от загрязнений. Чистота жидкости должна соответствовать стандарту ISO 4406:1999. Качество фильтрующих элементов должно соответствовать нормам ISO.
Для гидравлических систем общего назначения, обеспечивающих нормальную работу, требуется чистота класса 20/18/15 согласно ISO 4406:1999. Рекомендуемая чистота жидкости для продления срока службы и оптимальной работы компонентов — класс 18/16/13 согласно ISO 4406:1999.
**Уплотнения**
Проверьте характеристики гидравлической жидкости для оценки химической устойчивости материалов уплотнений. Убедитесь, что диапазон допустимых рабочих температур уплотнителей соответствует максимальным температурам в гидросистеме и окружающей среде.
- N - Нитрил (уплотнение вала - FKM) -25…+90°С
- V – FKM (уплотнение вала - FKM) -25…+115 °C
- W – Нитрил (уплотнение вала - PTFE) -30…+90 °C
Примечание: Наивысшая температура рабочей жидкости будет в дренажном порте насоса и может быть на 25°C выше, чем в резервуаре.
**Коэффициент полезного действия и дренажный расход насоса PV032 – PV046**
Графики КПД и мощности получены при частоте вращения входа 1500 об/мин, температуре 50°C и вязкости жидкости 30 мм²/с.
Дренажные расходы корпуса и управления компенсатора осуществляются через дренажный порт насоса. К приведенным значениям следует добавить 1-1,2 л/мин, если при использовании компенсатора с управляющим клапаном управляющий поток клапана изменения давления также проходит через насос.
Примечание. Значения, указанные ниже, актуальны только для статического режима. В условиях динамической работы и при быстрой компенсации объем, вытесняемый сервопоршнем, также уходит через дренажный порт корпуса. Этот динамический расход управления может достигать 60 л/мин, поэтому дренажный трубопровод не следует сужать и необходимо подключать его к баку с минимальными изгибами.