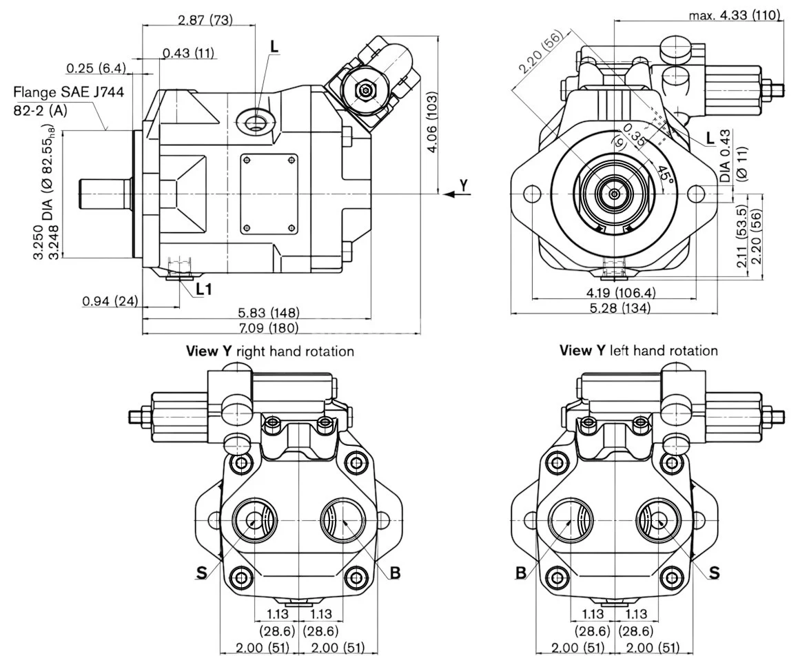
Насос аксиально-поршневой регулируемый A10VO25DR/20R-PSC61H Rexroth
✓ Сертифицированное оборудование
✓ Гарантия надежной эксплуатации
✓ Контроль качества на каждом этапе
✓ Современное оборудование
✓ Быстрая отгрузка
Технические характеристики:
Номинальная подача, л/мин: 37
Номинальное давление на выходе, МПа: 35
Частота вращения, об./мин.: 1500
Масса, кг: 17

- Насос A10VO предназначен для эксплуатации в открытых контурах.
- Проектирование, сборка и ввод в эксплуатацию насоса требуют участия квалифицированного персонала.
- Сервисные и функциональные порты предназначены только для подключения гидравлических линий.
- В процессе работы и в краткосрочной перспективе после неё существует риск ожогов от насоса, особенно от соленоидов. Следует соблюдать меры безопасности, такие как использование защитной одежды.
- Характеристики могут варьироваться в зависимости от состояния работы насоса (рабочее давление, температура жидкости).
- **Моменты затяжки:**
- Указанные в данном техническом паспорте моменты затяжки являются максимальными и не должны превышаться (максимальные значения для резьбы винта). Необходимо следовать инструкциям производителя относительно максимально допустимых моментов затяжки используемых фитингов.
- Для крепёжных винтов DIN 13 рекомендуется индивидуально контролировать моменты затяжки в соответствии с VDI 2230, издание 2003 года.
- Следует обращать внимание на данные и рекомендации, содержащиеся в настоящем документе.
- Регулируемый аксиально-поршневой насос с наклонной шайбой, предназначенный для гидростатических приводов в открытых контурах.
- Расход жидкости пропорционален скорости вращения вала и рабочему объему, его можно плавно регулировать с помощью наклонной шайбы.
- Прочные подшипники обеспечивают длительный срок службы.
- Высокие пределы допустимых скоростей вращения вала.
- Отличное соотношение мощности к массе.
- Компактные размеры.
- Низкий уровень шума.
- Хорошие всасывающие характеристики.
- Возможность осевой и радиальной нагрузки на приводной вал.
- Регулировка давления и расхода.
- Электрогидравлическая система управления давлением.
- Мощность также подлежит регулировке.
- Электропропорциональное управление рабочим объемом.
- Быстрое время отклика.
Для корректного выбора жидкости необходимо учитывать рабочую температуру в баке (открытый контур) относительно температуры окружающей среды. Рекомендуется выбирать жидкость так, чтобы её вязкость находилась в оптимальном диапазоне (nopt),который можно найти на затемнённой части диаграммы выбора. В большинстве случаев предпочтительнее выбирать жидкости с более высокой вязкостью. Например, если температура окружающей среды составляет X °F (X °C),а рабочая температура в баке достигает 140 °F (60 °C),в оптимальном диапазоне вязкости это соответствует классам VG 46 и VG 68; в данном случае следует выбрать VG 68.
Важно: Температура жидкости в сливной магистрали (жидкость в картере) будет выше температуры в баке и зависит от давления и скорости вращения вала. Однако ни в одной точке контура температура не должна превышать 239 °F (115 °C). Если соблюдение этих условий невозможно из-за экстремальных значений рабочих параметров или высокой температуры окружающей среды, рекомендуется обратиться за консультацией.
Чем выше степень фильтрации, тем лучше достигаемая чистота гидравлической жидкости и тем дольше прослужит аксиально-поршневой агрегат. Для надежной работы агрегата минимальная чистота должна составлять 20/18/15 по ISO 4406. При очень высоких рабочих температурах (от 90 °C до 115 °C) требуется чистота не менее 19/17/14 по ISO 4406. В случае невозможности поддержания указанных классов чистоты рекомендуется обратиться за консультацией.
- Следует обращать внимание на данные и рекомендации, содержащиеся в настоящем документе.