муфта электромагнитная ЭМ32АР
✓ Сертифицированное оборудование
✓ Гарантия надежной эксплуатации
✓ Контроль качества на каждом этапе
✓ Современное оборудование
✓ Быстрая отгрузка
Основные параметры:
Номинальный передаваемый момент Нм :6,3
Номинальное напряжение катушки, В :24
Сила тока, А :0,87
Предельная частота вращения, об/мин :3000
Масса, кг :2,6 |


Электромагнитные многодисковые фрикционные муфты серии ЭМ используются для автоматизации приводов металлорежущих станков и аналогичных машин.
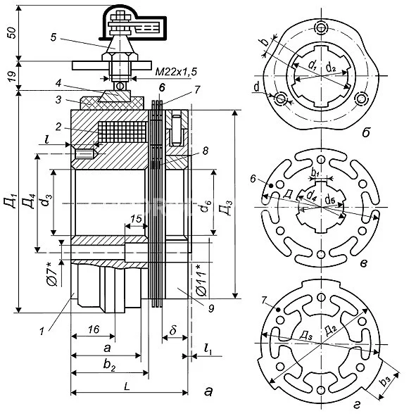
КОНСТРУКЦИЯ: Муфты ЭМ состоят из нескольких основных элементов:
Корпуса 1 (рис. 1) с встроенной внутри катушкой 2. Один конец катушки соединён с корпусом, другой — с контактным кольцом 4, которое запрессовано в пластмассовом кольце 3;
Фрикционного узла, включающего стальные диски двух конфигураций: диск 6 с шлицевым отверстием и диск 7 с выступами по наружному диаметру; пружинные шайбы 8, применяемые для разведения дисков при отключении муфты; якоря 9.
Подача тока осуществляется через щётку, закреплённую в щёткодержателе 5.
МОНТАЖ: Перед установкой следует снять антикоррозийную смазку. При монтаже муфты корпус, диски и якорь надеваются на ведущий (ведомый) вал с шлицами. Корпус муфты крепится к валу с помощью трёх винтов, которые соединяют корпус с резьбовыми отверстиями d в соответствии с таблицей и рисунком 1. Фрикционные диски 7 фиксируются с валом при помощи подводного элемента, изготовляемого заказчиком по размерам шлицевых выступов дисков.
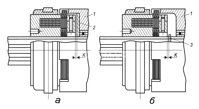
Чтобы предотвратить залипание муфты, торец якоря в отпуске не должен касаться стального поводка 1 (рис. 2, а). Этого достигают установкой немагнитной прокладки 2 (толщиной не менее 2 мм) между якорем и поводком 1 или использованием кольца 3 (рис. 2, б) на валу (лучше из немагнитного материала),ограничивающего ход якоря.
Чтобы избежать перегрева дисков и всей муфты при отпущенном якоре, величина хода якоря l1 должна соответствовать минимальному значению, указанному в таблице.
Также следует контролировать, чтобы поводок не заходил на корпус муфты более чем на 1–2 мм; превышение этой величины снижает передаваемый момент.
При монтаже необходимо беречь шлифованные поверхности корпуса, дисков и якоря от повреждений.
Нормальное положение оси муфты — горизонтальное.
Габаритные и установочные размеры:
а — муфты с гладким отверстием в корпусе и со щёткодержателем;
б — с шлицевым отверстием в корпусе;
в — внутреннего фрикционного диска;
г — внешнего фрикционного диска.
Размеры для трёх отверстий, расположенных равномерно по окружности, приводятся только для муфты ЭМ-62А.
Способы предохранения якоря от залипания:
а — немагнитной прокладкой;
б — кольцами.
Установка муфты с вертикальным положением оси допускается только при размещении якоря вниз и при скоростях, не выше 60% от максимальной допустимой скорости вращения.
ЭКСПЛУАТАЦИЯ: Муфты предназначены для работы во взрывобезопасной среде, без агрессивных паров и газов в концентрациях, которые разрушают металл и изоляцию, без туманов и брызг токопроводящих жидкостей и токопроводящей пыли.
Муфты работают в релейном режиме (включение–выключение); длительное скольжение запрещено.
При выборе режима эксплуатации следует учитывать, что установленная температура обмотки не должна превышать 110°C.
Муфты рассчитаны исключительно для условий, обеспечивающих смазку минеральным маслом вязкостью не выше 5E10 (5–е3 по шкале во избежание двусмысленности оставляю стандартное указание: вязкость не более 5 Е 0, московская запись сохранена как 5Е0).
Подача масла к муфте осуществляется через каналы вала или поливом; при щадящих тепловых режимах допускается частичное погружение муфты в масляную ванну.
Для смазки (охлаждения) рекомендуется минеральные масла без металлических и других включений, без заметных примесей эмульсии, влияющих на диэлектрические свойства масел.
Рекомендуются индустриальные масла 20 и 30 по ГОСТ 1707-51.
Разрешено применение масел других марок, эквивалентных перечисленным.
При использовании масел с более высокой вязкостью мощностные характеристики муфт не гарантируются.
Катушка муфты должна быть защищена от перенапряжений, возникающих при коммутации муфты.
Во время эксплуатации регулировка муфты не требуется; следует периодически контролировать износ дисков и щёток, а также чистоту масла.
Износ дисков не должен превышать 20% первоначального веса; при большем износе диски заменить новыми.
Контроль износа щётки осуществлять по запасу хода оставшегося у изношенной щётки. Если при повороте щёткодержателя (выворачивании) контакт прерывается на один оборот, щётку заменить новой.
Дополнение к «Техническому описанию и инструкции по эксплуатации на муфты электромагнитные фрикционные серии ЭМ для муфт специальных исполнений»
Муфты должны дорабатываться заказчиком в соответствии с конструкцией узла станка, в который они интегрируются.
В состоянии поставки муфта ЭМ-42 АР1 (рис. 3б) состоит из следующих основных узлов: корпуса 1 с установленной внутри катушкой 2; один конец катушки подключён к корпусу, другой — изолирован и выведен наружу для подключения к контактному кольцу при доработке муфты; фрикционное устройство, состоящее из стальных дисков 5 и 6 и пружинных шайб 4; якоря 3.
Муфта ЭМ-42 АР2 (рис. 3а) состоит из аналогичных узлов, но в отличие от ЭМ-42 АР1 не содержит якоря.
Основные технические данные сдвоенной муфты ЭМ-42 АР:
Муфта ЭМ-42 АР2 монтируется совместно с муфтой ЭМ-42 АР1 на одном валу с общим якорем.
Чтобы избежать перегрева дисков и всей муфты при отпускании якоря, величина хода якоря должна быть не менее 2,5 мм.