Гидрозамок MVPP-D/50 Duplomatik
✓ Сертифицированное оборудование
✓ Гарантия надежной эксплуатации
✓ Контроль качества на каждом этапе
✓ Современное оборудование
✓ Быстрая отгрузка
Основные параметры клапана:
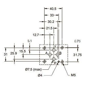
Условный проход, мм: 6
Давление нагнетания ном., МПа: 35
Расход рабочей жидкости, л/мин: 50
Тип монтажа: модульный
Масса, кг: 1,1


Гидрозамок MVPP представляет собой обратный клапан с пилотным управлением. Применение данного клапана позволяет: перекрывать поток в одном направлении, пропускать поток в том же направлении при открытом клапане под давлением управления в параллельном канале и свободно пропускать поток в других каналах.
Клапаны MVPP устанавливаются ниже по потоку относительно электромагнитных распределителей DS3 и совместимы со всеми другими клапанами CETOP 03.
Конфигурации (см. гидравлические схемы ниже):
Конфигурации MVPP-SA и MVPP-SB: предназначены для блокировки исполнительного механизма в одном направлении.
Конфигурация MVPP-D: используется для блокировки положения исполнительного механизма в обоих направлениях.