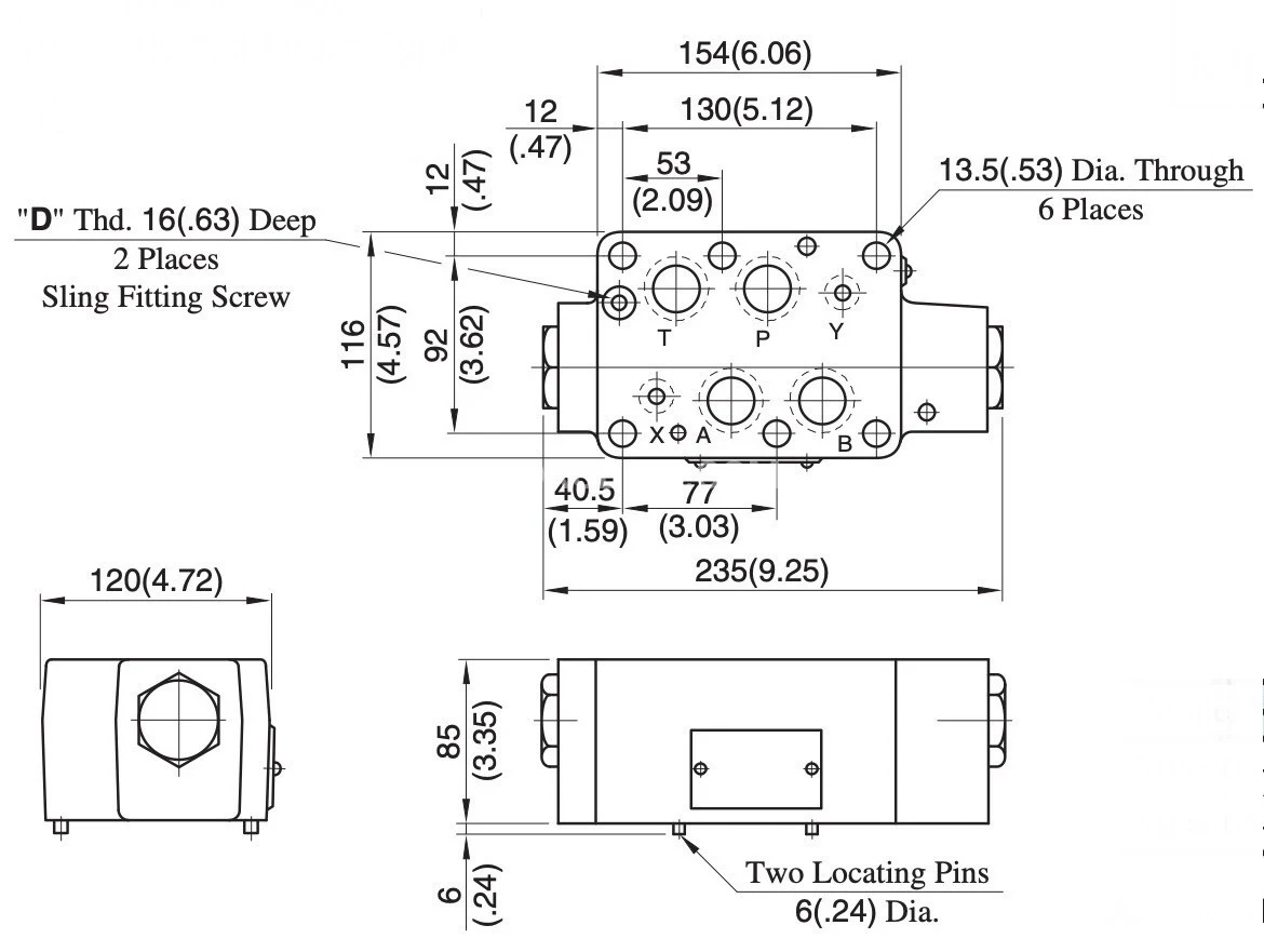
Гидрозамок MPW-06-2-10 YUKEN
✓ Сертифицированное оборудование
✓ Гарантия надежной эксплуатации
✓ Контроль качества на каждом этапе
✓ Современное оборудование
✓ Быстрая отгрузка
Основные параметры клапана:
Условный проход, мм: 6
Давление нагнетания ном., МПа: 25
Расход рабочей жидкости, л/мин: 500
Тип монтажа: модульный
Масса, кг:11,6

Минимальное значение настройки давления равно значению, указанному в характеристиках минимального давления, плюс противодавление в линии резервуара, которое будет представлено на следующей странице. Это противодавление должно учитывать разницу давления в линии T-клапанов, расположенных на основании модульного клапана.
Чтобы отрегулировать давление, ослабьте контргайку и поворачивайте винт регулировки давления по часовой стрелке или против часовой стрелки. Поверните винт по часовой стрелке для повышения давления. После настройки обязательно плотно затяните контргайку.
При низком расходе давление может стать нестабильным. Чтобы предотвратить это, ознакомьтесь с характеристиками минимального расхода на следующей странице и используйте клапан в пределах, указанных на рисунке.