Гидрозамок Ф3КУ50/320
✓ Сертифицированное оборудование
✓ Гарантия надежной эксплуатации
✓ Контроль качества на каждом этапе
✓ Современное оборудование
✓ Быстрая отгрузка
Основные параметры клапана:
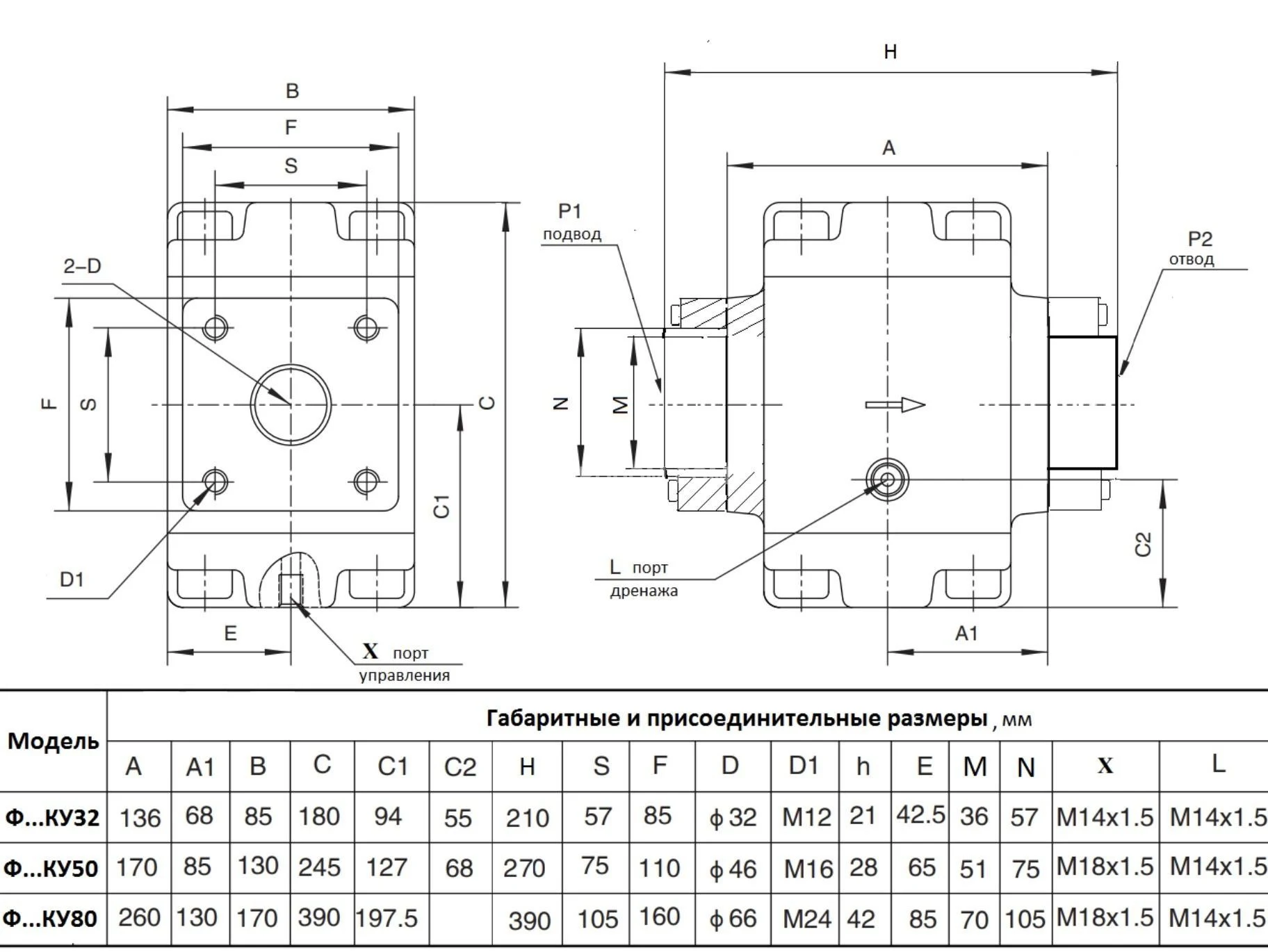
Условный проход, мм: 50
Давление нагнетания ном., МПа: 32
Расход рабочей жидкости, л/мин: 500
Тип монтажа: фланцевый
Масса, кг: 48,5
Габаритный размеры: 270х136х285

Односторонние гидрозамки (обратные клапаны управляемые) типа КУ используются в гидросистемах прессов и других гидравлических машин для обеспечения свободного потока масла только в одном (прямом) направлении. Процесс обратного потока масла инициируется принудительным открытием главного запорного элемента с помощью встроенного в замок гидравлического цилиндра управления.
Гидрозамки типа КУ функционируют на минеральных маслах с фильтрацией размером 25 мкм и кинематической вязкостью в диапазоне от 10 до 400 мм²/с (сСт),обеспечивая рабочие температуры от +10°С до +70°С.
В гидрозамках типа Ф1КУ и Ф3КУ наличие тарельчатого разгрузочного клапана позволяет более плавно осуществлять разгрузку гидросистемы при использовании низкого давления управления.
Если быстрая разгрузка системы по давлению не ухудшает работу гидравлической системы и бывает необходима, следует использовать гидрозамки Ф2КУ и Ф4КУ. Эти модели также применяются в случаях, когда установка низкого давления для управления гидрозамками нежелательна.
Если в сливной линии (при движении масла через принудительно открытый запорный элемент в обратном направлении) ожидается отсутствие какого-либо подпора (давление в сливе нулевое или близкое к нулю),рекомендуется использовать гидрозамки типа Ф3КУ и Ф4КУ. Они, в отличие от гидрозамков Ф1КУ и Ф2КУ, не требуют отдельного трубопровода для отвода утечек из штоковой полости цилиндра управления запорным элементом.
В ситуациях, когда сливная линия находится под давлением (которое возникает из-за работы дроссельных и других устройств),превышающим давление управления и иногда приближающимся к рабочему, целесообразно использовать только гидрозамки типа Ф2КУ. Гидрозамки типа Ф1КУ также могут быть использованы, однако давление управления в этом случае возрастает до половины значения между минимальным и максимальным и зависит от величины подпора в сливе.
Структура условного обозначения выглядит следующим образом: Ф * КУ-50/32.
Устройство управления:
1 - с дополнительным разгрузочным клапаном и с отдельным дренажом для системы управления;
2 - без дополнительного разгрузочного клапана, но с отдельным дренажом для системы управления;
3 - с дополнительным разгрузочным клапаном и с объединённым дренажом системы управления;
4 - без дополнительного разгрузочного клапана и с объединённым дренажом системы управления.