Гидрозамок 4CT10A20UB VICKERS
✓ Сертифицированное оборудование
✓ Гарантия надежной эксплуатации
✓ Контроль качества на каждом этапе
✓ Современное оборудование
✓ Быстрая отгрузка
Основные параметры клапана:
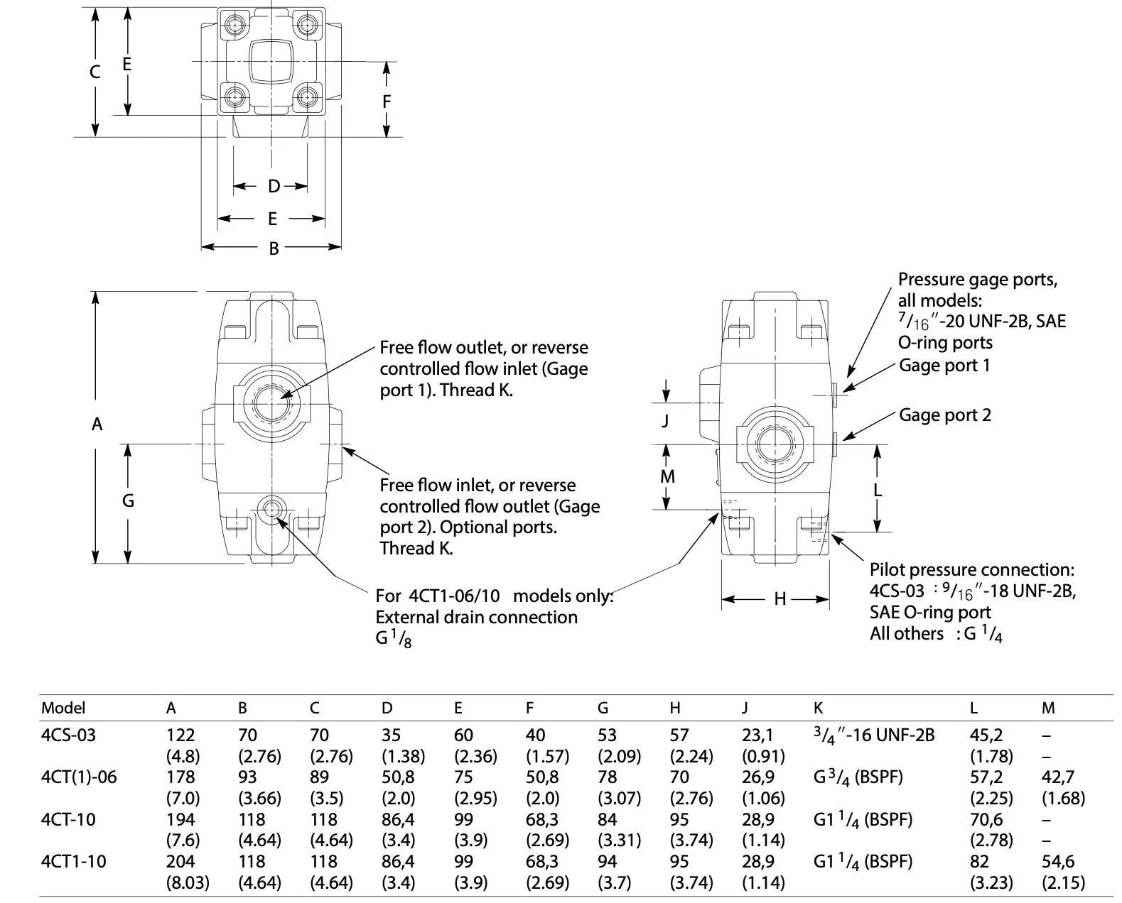
Условный проход, мм: 10
Давление нагнетания ном., МПа: 21
Расход рабочей жидкости, л/мин: 284
Тип монтажа: модульный
Масса, кг: 12,1

Эти пилотные обратные клапаны функционируют как обычные обратные клапаны, позволяя движение жидкости в одном направлении. Однако они также могут открываться по дистанционному сигналу управляющего давления для обеспечения обратного потока. Дополнительная функция декомпрессии (которая применяется вместе с соответствующим управляющим давлением) позволяет контролировать процесс декомпрессии больших объемов рабочей жидкости перед открытием клапана для обеспечения полного потока.
Для получения информации о других пилотных обратных клапанах, которые устанавливаются на плитах и работают при давлениях до 350 бар (5000 фунтов на квадратный дюйм) и расходах до 300 л/мин (80 галлонов США в минуту),а также с встроенными электромагнитными пилотными клапанами, обратитесь к каталогу 2329.
Пределы рабочей вязкости этих клапанов находятся в диапазоне от 13 до 860 сСт (от 70 до 4000 SUS),при этом рекомендуется использовать вязкость от 13 до 54 сСт (от 70 до 245 SUS). За дополнительной информацией о жидкостях смотрите листовку 920.
Что касается требований к контролю загрязнения, рекомендации по методам его контроля и выбору продуктов, а также информация о состоянии жидкости и «Гидравлические жидкости» включены в публикации Vickers by Danfoss 9132 или 561, которые содержат руководство по системному контролю загрязнения. В этих публикациях также объясняется концепция «ProacActive Maintenance» от Vickers by Danfoss.
Рекомендуемые уровни чистоты ISO для контроля загрязнения составляют 2 м, 5 м и 15 м.
Давление в системе управления, необходимое для открытия обратного клапана или декомпрессионного клапана, определяется соотношением давления на обратном клапане к давлению в системе управления. Формулы для расчета необходимого давления в системе управления можно использовать для этого.