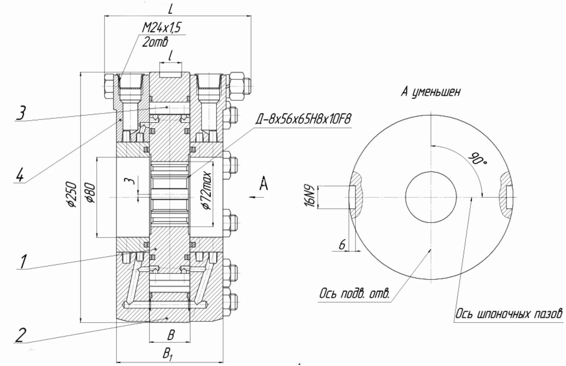
Гидровращатель (гидродвигатель) РПГ-6300
✓ Сертифицированное оборудование
✓ Гарантия надежной эксплуатации
✓ Контроль качества на каждом этапе
✓ Современное оборудование
✓ Быстрая отгрузка
Технические характеристики:
Рабочий объем, см3: 6300
Частота вращения,об/мин: 5
Номинальная подача, л/мин: 48
Номинальное давление на выходе, МПа: 10
Масса, кг: 46,6

Поворотный гидровращатель (РПГ) представляет собой сложное гидравлическое устройство, предназначенное для преобразования гидравлической энергии в механическую, обеспечивая вращательное движение. Одной из ключевых технических характеристик РПГ является максимальная рабочая температура, обычно находящаяся в диапазоне от 55 до 65°C, что обеспечивает стабильность работы устройства в различных условиях. Диапазон давления, при котором гидровращатель функционирует, может достигать до 16 МПа, что позволяет избежать перегрузок и обеспечить безопасную эксплуатацию. Вязкость используемого масла также играет важную роль, и она должна находиться в пределах от 25 до 70 × 10^-6 м²/с, чтобы гарантировать достаточную смазку и защиту внутренних компонентов. Кроме того, система фильтрации масла должна обеспечивать удаление загрязняющих частиц размером более 25 мкм, что предотвращает износ и повреждение рабочих элементов.
Что касается состава изделия, РПГ включает в себя прочный корпус, изготовленный из высококачественных материалов, которые обеспечивают долговечность и устойчивость к механическим воздействиям. Внутри корпуса размещаются поршни или лопасти, которые непосредственно взаимодействуют с маслом, создавая вращательное движение. Корпус также оборудован надежными уплотнениями, которые предотвращают утечки жидкости, и системой распределения масла, которая регулирует потоки масла внутри устройства, обеспечивая его эффективную работу.
Принцип работы поворотного гидровращателя основан на высоком давлении масла, подводимого к поршням. Когда масло подается под давление, оно заставляет поршни двигаться, что в свою очередь создает вращательное движение вала. Важно отметить, что работа происходит по принципу последовательного действия, когда несколько поршней активируются по очереди, что обеспечивает стабильность вращения и высокую грузоподъемность. Управление направлением вращения достигается изменением направления потока масла: в зависимости от подачи масла в определенном направлении вал вращается в ту или иную сторону. Благодаря таким характеристикам и принципам работы, РПГ способствуют эффективному выполнению различных производственных и строительных задач.