Гидрораспределитель ВЕХ16.34
✓ Сертифицированное оборудование
✓ Гарантия надежной эксплуатации
✓ Контроль качества на каждом этапе
✓ Современное оборудование
✓ Быстрая отгрузка
Основные технические данные
Условный проход : 16мм
Рабочее давление: 31,5МПа
Пропускная способность: 160-200л.
Напряжение: 24в., 110в., 220в.
Тип монтажа: модульный (стыковой, плиточный)
Масса : не более 16,5 кг
Схема распределения потока рабочей жидкости:

![]() |
|||||
|---|---|---|---|---|---|
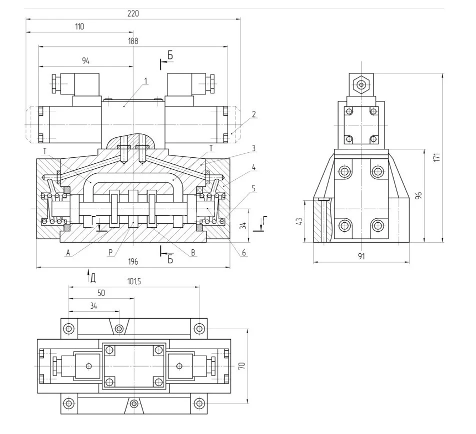
Гидрораспределители вида ВЕХ16 представляют собой золотниковые четырехлинейные агрегаты с электрогидравлическим управлением, имеющие диаметр условного прохода 16 мм. Они предназначены для изменения направления или остановки и запуска потока рабочей жидкости в гидравлических системах станков, прессов и других стационарных аппаратов, функционирующих при давлении до 32 МПа. В качестве рабочей жидкости рекомендуется использовать масла, например, индустриальное ИГП-30, турбинные масла Тп-22, Тп-30 и ВНИИНП-403, а также другие жидкости с аналогичными характеристиками, соответствующие классу чистоты не ниже 13 по ГОСТ 17216-71 и с кинематической вязкостью в диапазоне от 10 до 400 сСт. При этом фильтрация не должна превышать 0,025 мм.
В процессе наладки или при возникновении аварийной ситуации, когда электромагниты обесточены, переключение гидрораспределителя разрешается осуществлять с помощью нажатия кнопки ручного управления при условии подачи потока управления. Правила безопасности при работе с гидрораспределителями типа ВЕХ16 регламентированы ГОСТ 31177-2003.
Корпус гидрораспределителя является его главной деталью, в которой располагаются основные каналы. Одно отверстие предназначено для ввода рабочей жидкости под давлением, два других — для подключения к другим агрегатам, дренажное отверстие выводит жидкость в бак, а также имеются вход и выход для управления потоком.
В гидрораспределителе с электрогидравлическим управлением золотник перемещается под действием давления потока управления из своего начального положения. Возврат золотника в исходное положение происходит либо с использованием пружины (в случае пружинного возврата),либо за счет давления управления (при гидравлическом возврате).
Гидрораспределители разрабатываются так, чтобы поток управления не зависел от основного потока. Для перехода на управление основным потоком необходимо снять крышку, извлечь палец, перевернуть его на 180 градусов и установить обратно. При этом вход для потока управления следует закрыть. Слив потока управления не должен соединяться с основным потоком в случаях, когда давление в сливе превышает 6 МПа или для трипозиционного гидрораспределителя с гидравлическим возвратом золотника.
В качестве вспомогательного элемента может использоваться распределитель типа ВЕ6.34... или 1РЕ6.34... для конфигураций с пружинным возвратом и ВЕ6.24... или 1РЕ6.24... для гидравлического возврата. Гидрораспределитель может комплектоваться различными вспомогательными узлами и устройствами.
Одним из таких устройств является дроссельная плита, предназначенная для настройки времени срабатывания гидрораспределителя. Поворачивая регулировочный винт по часовой стрелке, время увеличивается, а против часовой — уменьшается. Регулировка возможна как на подводе, так и на отводе управляемого потока; для изменения метода регулировки нужно снять дроссельную плиту и перевернуть ее на 180 градусов.
Также имеется устройство для регулировки длины хода золотника, где один оборот винта соответствует перемещению на 1,5 мм. Регулировка должна проводиться при отключенном питании. В конструкциях, работающих от основного потока, используется обратный гидроклапан для формирования минимального давления управления.
Другие устройства могут включать диафрагму, которая ограничивает поток управления, способствуя увеличению времени отклика устройства, и гидровентиль соотношения давлений, который снижает давление управления в соотношении 1:0,66 для систем с давлением выше 25 МПа. Для упрощения монтажа предусмотрена возможность поставки гидрораспределителя с присоединительной плитой.
