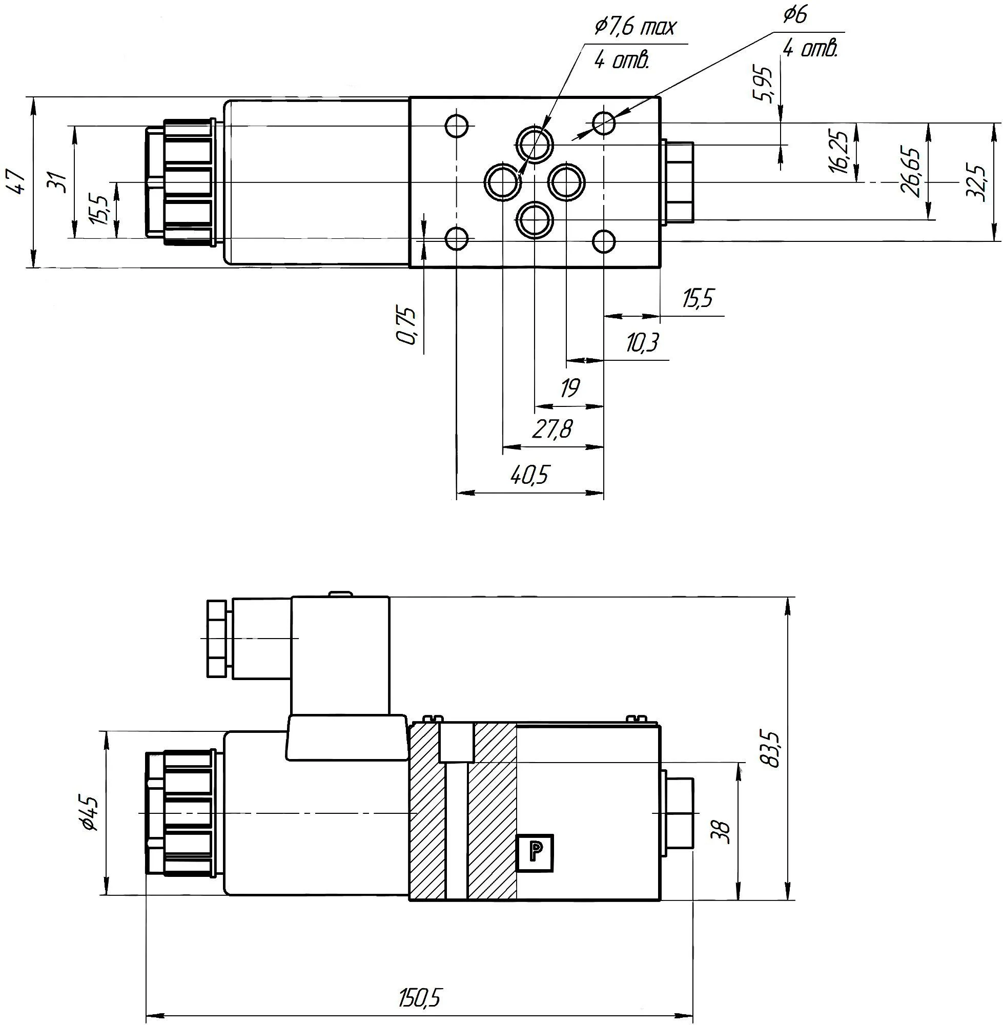
Гидрораспределитель ВЕ6.573Е (FW02-2B8L)
✓ Сертифицированное оборудование
✓ Гарантия надежной эксплуатации
✓ Контроль качества на каждом этапе
✓ Современное оборудование
✓ Быстрая отгрузка
Основные технические данные
Условный проход : 6мм
Рабочее давление: 35МПа
Пропускная способность: 60л.
Напряжение: 12в., 24в., 110в., 220в., 380в.
Тип монтажа: модульный (стыковой, плиточный)
Масса : 1,45 кг с одним эл.магнитом, 1,95 кг - с двумя эл.магнитами
Схема распределения потока рабочей жидкости:


Гидрораспределители HOYEA FW, типа ВЕ 6, ВЕ 10, 1РЕ 6, 1РЕ 10 представляют собой ключевые компоненты в системах гидравлики, обеспечивающие управление потоком рабочей жидкости в различных механизмах. Эти устройства предназначены для распределения масла между различными исполнительными механизмами, такими как гидромоторы и гидроцилиндры, и могут использоваться как в стационарных, так и в мобильных гидравлических системах.
Принцип работы гидрораспределителей HOYEA основан на перемещении золотников. Золотник — это подвижный элемент внутри распределителя, который направляет поток жидкости в различные порты. Гидрораспределитель может быть односторонним или двусторонним, в зависимости от количества электромагнитов и необходимости маневрирования жидкости в разные стороны. Движение золотника осуществляется под действием электрического тока, который подается на катушки управления. При этом ток создает магнитное поле, что приводит к перемещению золотника в одну из рабочих позиций, открывая соответствующие каналы. При отключении тока золотник может возвращаться в нейтральное положение под действием возвратной пружины.
Характеристики гидрораспределителей HOYEA FW, типа ВЕ 6, ВЕ 10, 1РЕ 6, 1РЕ 10 могут варьироваться, но в целом они могут включать:
- Рабочее давление: обычно до 315 бар, позволяющее использовать распределители в различных условиях;
- Пропускная способность: зависит от конкретной модели, но может достигать значительных значений, обеспечивая высокую эффективность работы;
- Наличие нескольких рабочих позиций: как правило, это двусторонние (4/2) или четырёхлиниейные (4/3) модели;
- Возможность электрического или ручного управления.
Применение гидрораспределителей HOYEA охватывает широкий спектр отраслей, включая:
- Машиностроение: для управления робототехническими системами и автоматизированными линиями;
- Строительство: в двигателях экскаваторов, кранах и другой машине с гидравлическим приводом;
- Судостроение: в системах управления парусами и рулевым механизмом судов;
- Сельское хозяйство: для управления навесным и прицепным оборудованием.
Благодаря своей эффективности, надежности и универсальности гидрораспределители HOYEA размер 10 находят широкое применение в самых разнообразных областях, обеспечивая высокую производительность гидравлических систем.