Гидрораспределитель S10G01G020 011 Herion
✓ Сертифицированное оборудование
✓ Гарантия надежной эксплуатации
✓ Контроль качества на каждом этапе
✓ Современное оборудование
✓ Быстрая отгрузка
Основные технические данные
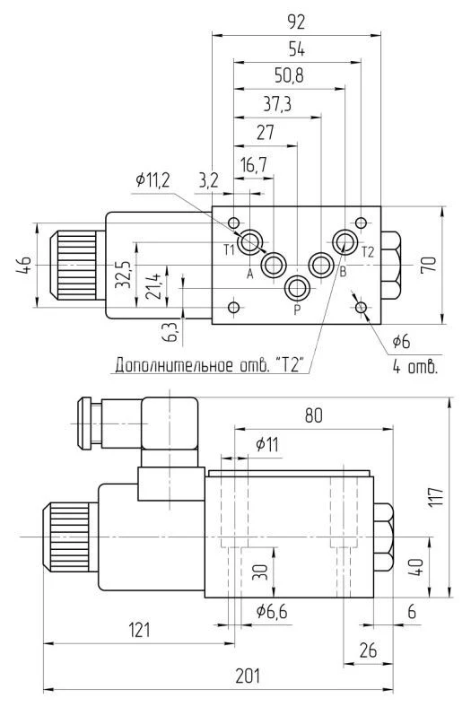
Условный проход : 10мм
Рабочее давление: 35МПа
Пропускная способность: 120л.
Напряжение: 12DC, 24DC, 110AC, 220AC
Тип монтажа: модульный (стыковой, плиточный)
Масса : 4,5 кг с одним эл.магнитом, 6,1 кг - с двумя эл.магнитами
Схема распределения потока рабочей жидкости:


Пропорциональный распределитель направления 10 размера основан на 5-камерной системе и имеет форму золотникового клапана.
Пропорциональный распределитель направления может использоваться для управления направлением и скоростью гидроцилиндров и гидромоторов и применяется в случаях, когда сервоклапан был бы слишком дорогим, а обычный распределитель направления не обеспечивал бы достаточного диапазона функций. Электрическое управление позволяет выполнять широкий спектр движений просто и чрезвычайно точно с помощью непрерывно управляемого сигнала.
Используя баланс давления в качестве промежуточного компонента, пропорциональный распределитель направления может взять на себя функцию управления потоком.
Блоки привинчиваются к плитам и герметизируются с помощью уплотнительных колец.
Особенности
• Управление скоростью и направлением в соответствии со спецификацией
уставки
• Программное управление, дистанционное управление
• Прочная конструкция с пружинным центрированием
• Недорогое системное решение
• С балансировкой давления, компенсацией нагрузки
управлением скоростью.