Гидрораспределитель Р80-3/2-444
✓ Сертифицированное оборудование
✓ Гарантия надежной эксплуатации
✓ Контроль качества на каждом этапе
✓ Современное оборудование
✓ Быстрая отгрузка
Технические характеристики:
Тип распределителя — клапанно-золотниковый моноблочный;
Тип золотника — с закрытым центром, уравновешенный с торцов;
Количество золотников — 3
Диаметр золотника, мм — 25
Позиции золотника — Подъем», «Нейтраль», «Опускание»
без фиксации в рабочих позициях
Фиксация положений золотников в позиции — «Подъем» и «Опускание принудительное» (с помощью шарикового замка)
Возврат из позиции — «Подъем» и «Опускание принудительное» автоматически (по достижении заданного давления)
Возврат из позиции — «Плавающая» вручную
Тип предохранительного клапана — дифференциальный, постоянного давления
Макс, давление, МПа — 20,0
Масса распределителя, кг — 18
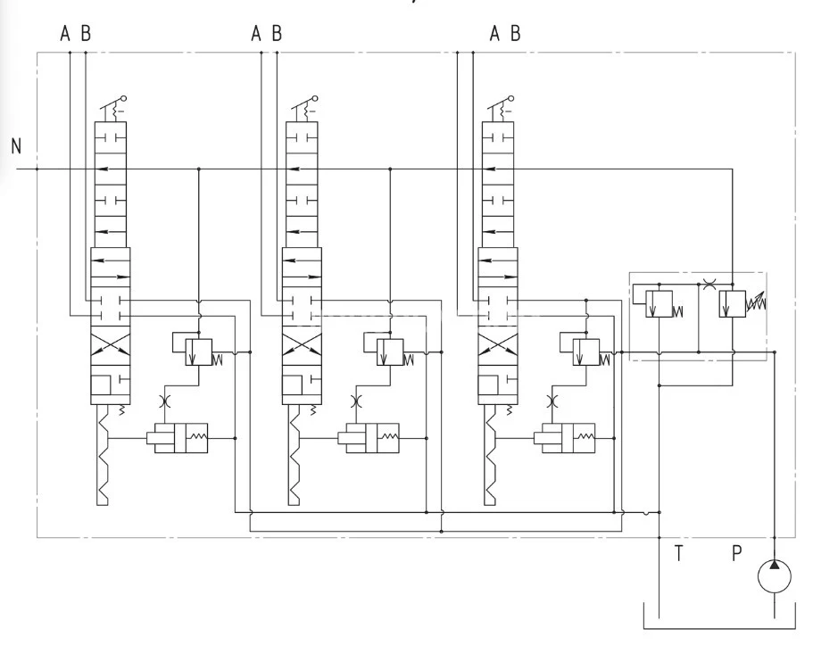
Схема распределения потока рабочей жидкости:


Гидрораспределитель Р-80 3/2 444 предназначен для установки в гидросистемы общего назначения тракторов, оснащенных насосами с производительностью от 20 до 100 л/мин. Этот гидрораспределитель выполняет несколько функций: распределяет поток рабочей жидкости, поступающей от гидронасоса, между потребителями, в том числе силовыми гидроцилиндрами; защищает гидросистему от перегрузок; а также обеспечивает разгрузку гидросистемы в нейтральной позиции золотника путем перепуска рабочей жидкости в бак (холостой ход). У него имеются три позиции золотника: «Подъем», «Нейтральная», «Опускание принудительное». Важно отметить, что использование гидрораспределителя с кодом 2 (Р80-3/2-444) возможно только в сочетании с гидрораспределителем кода 3 (Р80-3/3-444).
Существует два типа распределителей в данной серии: двухсекционные и трехсекционные. Наиболее популярным трехсекционным распределителем является Р80-3/1-222, который часто устанавливают на трактора МТЗ и ЮМЗ. В числе двухсекционных распределителей самым распространенным является Р80-3/1-22, используемый на тракторах Т-25 и Т-16, хотя эти агрегаты можно применять и на других машинах.
Большинство распределителей оснащены золотниками типов «2» и «4». Золотник типа «2» обеспечивает автоматическое отключение в позициях: подъем, опускание и фиксация. Он имеет четыре положения: подъем, нейтральное, опускание и плавающее. Положение "плавающее" используется при установке навесного и прицепного оборудования. Золотник типа «4» имеет три положения: подъем, нейтральное и опускание. У него нет фиксируемых положений и автоматического отключения, поэтому его применяют для техники, выполняющей погрузочно-разгрузочные работы, такой как тракторы, погрузчики, бульдозеры и другие.
Распределитель необходимо использовать с насосами типов НШ 10-3, НШ32-3 или НШ50-3. Гидрораспределитель должен размещаться на машине не ниже уровня верхней точки масляного бака.
Обозначение гидрораспределителей типа Р80 имеет следующую структуру:
Р 80 3 / Х - ХХ
где Р обозначает распределитель, 80 – номинальный расход в литрах в минуту, 3 – код давления, Х – код эксплуатационного назначения, а ХХ – коды типов золотников (порядок кодирования от переливного клапана).