Гидрораспределитель Р80-3/1-222Г (МР80-4/1-222Г)
✓ Сертифицированное оборудование
✓ Гарантия надежной эксплуатации
✓ Контроль качества на каждом этапе
✓ Современное оборудование
✓ Быстрая отгрузка
Технические характеристики:
производительность – единая 80 л/мин;
диаметр золотника – 2.5 см;
количество золотников – 2 или 3;
позиции золотника - «Подъем», «Нейтраль», «Опускание», «Плавающая»
фиксация - «Подъем», «Опускание»,«Плавающая».
Автоматический возврат при достижении заданного давления из позиций «Подъем» и «Опускание»
давление максимально допустимое – 20 МПа;
предохранительный клапан – постоянного давления, дифференциальный;
вес – 14 кг
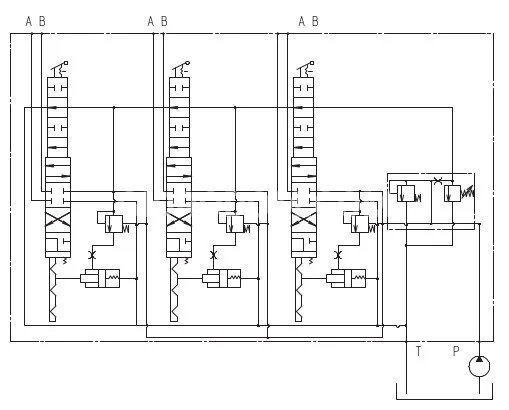
Схема распределения потока рабочей жидкости:


Гидрораспределитель МР80-4/1-222 (170) предназначен для распределения и регулировки давления в гидросистемах машин, работающих с насосами, производительность которых варьируется от 10 до 140 л/мин.
Данное устройство является аналогом модели Р80-3/1-222 по функциональному назначению и размерам подключения. Обозначение МР указывает на то, что гидрораспределитель модернизирован и обладает рядом преимуществ по сравнению с Р80. В конструкции использован корпус с увеличенными внутренними полостями без тупиковых переходов. Также внедрена новая система клапанов, что расширяет диапазон основных параметров. Золотник получил хромовое покрытие Хтв.15, что улучшает герметичность и снижает усилие управления.
Гидрораспределитель применяется в таких машинах, как МТЗ-50, МТЗ-80 и их модификациях, ЮМЗ-6, ЮМЗ-650, а также Т-150, Т-150К, Т-70 и Т-40; в машинах, не обладающих силовым регулятором пахоты.
Устройство выполнено в виде моноблочного клапанно-золотникового механизма. Номинальный и максимальный расход рабочей жидкости составляет от 80 до 120 литров в минуту. В конструкции предусмотрено три золотника. Допустимый диапазон давления колеблется от 20 до 25 МПа. Золотник имеет закрытый центр и уравновешен с торцов.