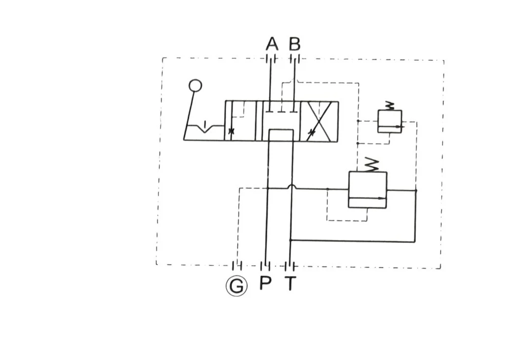
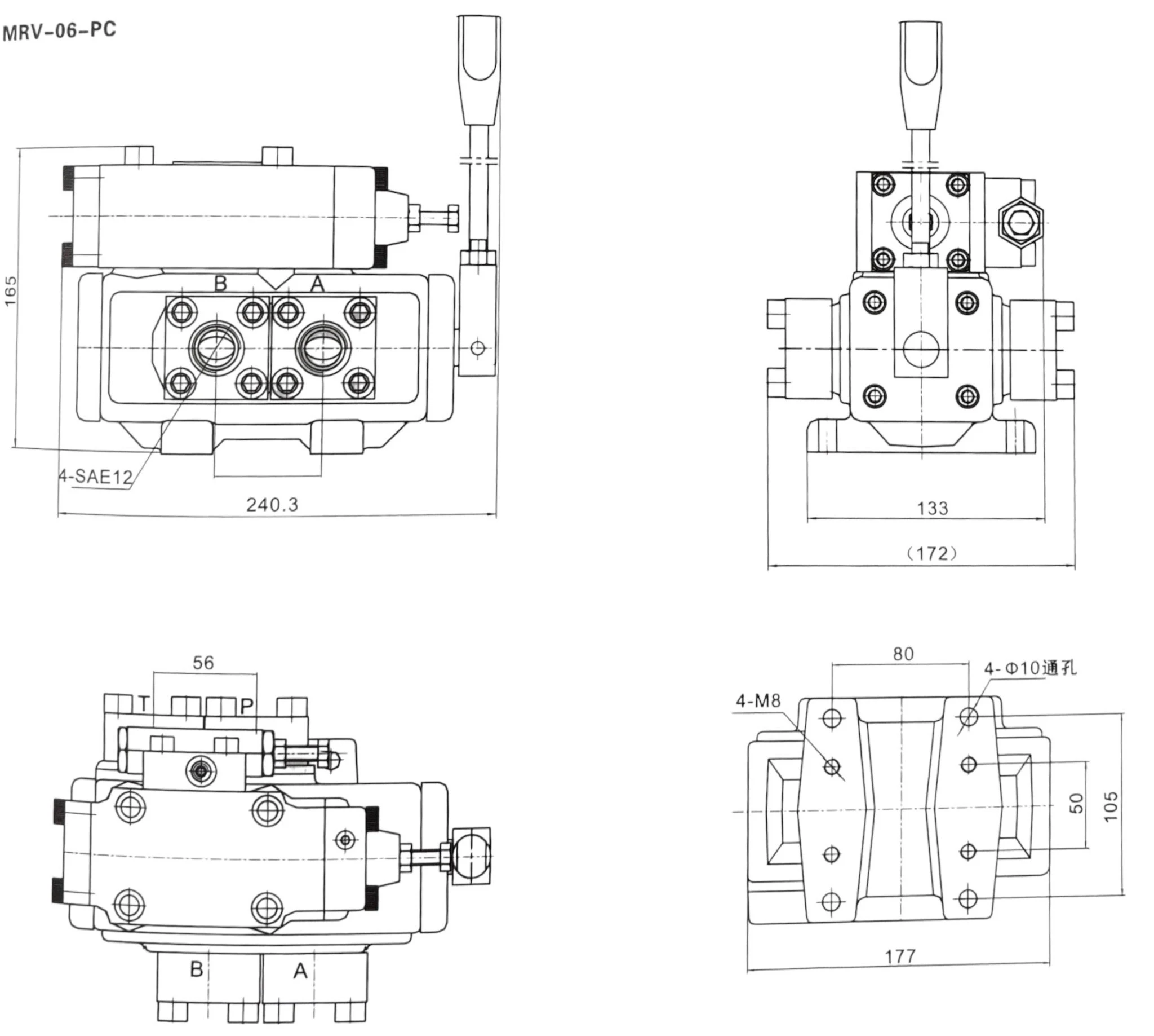
Гидрораспределитель MRV-06-PC
Оставить отзыв
Есть в наличии
Безопасность и конфиденциальность
✓ Сертифицированное оборудование
✓ Гарантия надежной эксплуатации
Гарантия доставки
✓ Контроль качества на каждом этапе
✓ Современное оборудование
✓ Быстрая отгрузка
Рабочее давление: 21МПа (максимальное)
Пропускная способность: 100л.
Тип винта: PT, NPT BSP,¾

