Гидрораспределитель HY6RSD-B PLASSE&THEURER
✓ Сертифицированное оборудование
✓ Гарантия надежной эксплуатации
✓ Контроль качества на каждом этапе
✓ Современное оборудование
✓ Быстрая отгрузка
Основные технические данные
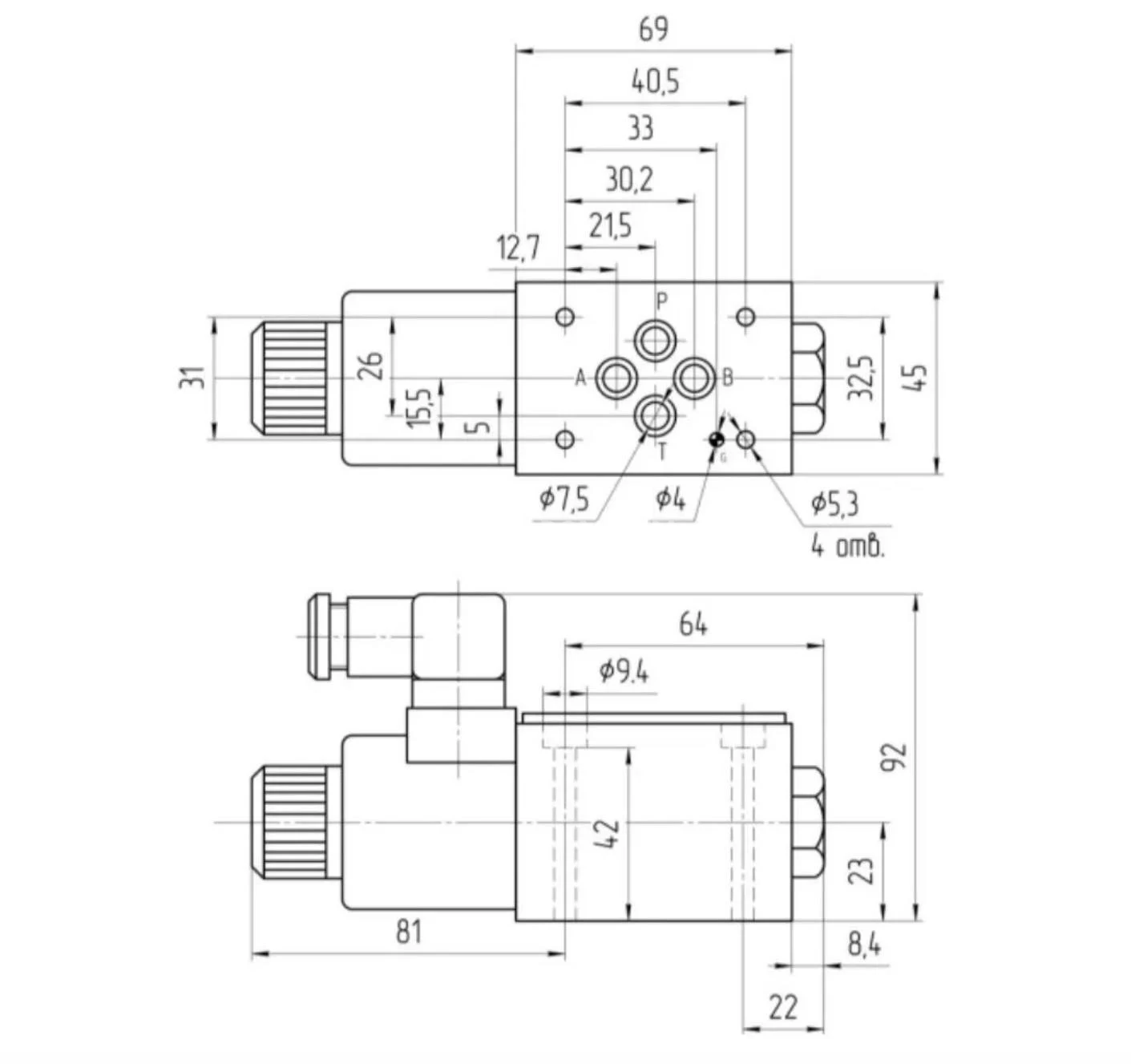
Условный проход : 6мм
Рабочее давление: 35МПа
Пропускная способность: 60л.
Напряжение: 12в., 24в., 110в., 220в., 380в.
Тип монтажа: модульный (стыковой, плиточный)
Масса : 1,45 кг с одним эл.магнитом, 1,95 кг - с двумя эл.магнитами
Схема распределения потока рабочей жидкости:


Направляющие распределители типа с прямым соленоидным управлением управляют направлением потока гидравлической жидкости. Они состоят из корпуса, управляющего золотника и одномоментного соленоида с двумя возвратными пружинами в конструкции 4/2-ходовых распределителей, а в модели 4/3-ходовых распределителей имеется два соленоида и тоже две возвратные пружины. В распределителях 4/3-ходового типа центральное положение золотника считается нейтральным.
Для переключения в рабочие позиции и необходимо подать питание на соответствующие соленоиды, что приводит к воздействию плунжера соленоида на управляющий золотник через рабочий штифт. Это действие открывает нужные потоки и устанавливает связи между портами A, B, P и T. Когда соленоид отключен, золотник возвращается в нейтральное положение под действием возвратной пружины. Кроме того, переключение можно осуществить вручную, задействовав аварийный ручной оператор.
Распределитель имеет два рабочих положения и два соленоида, не оснащенных пружинами, которые позволяют сохранять золотник в заданном положении даже в случае отключения питания. В таких клапанах порт T используется в качестве линии утечки. Важно также отметить, что клапаны с регулировкой времени переключения должны обеспечивать постоянное или кратковременное статическое давление масла не менее 4 бар в соединении T для поддержания давления в пружинных камерах.
Работа распределителя ограничивается условиями, когда напряжение составляет 10% ниже номинального значения. Кривые эксплуатации касаются применения симметричного потока через клапан, в случае асимметричного потока может возникнуть недооценка. Установка распределителя должна производиться горизонтально, с заводской табличкой сверху. Если установка осуществляется иначе, требуется удалить воздух, открутив винт для выпуска воздуха и перемещая золотник в переключенные положения, пока в отверстии не перестанут появляться пузырьки. При необходимости следует долить недостающее масло в отверстие для винта.
Для поддержания стабильного давления масла в пружинных камерах необходимо обеспечить постоянное или кратковременное статическое давление масла не ниже 4 бар в соединении T распределителя. В противном случае возможно просачивание масла через утечку плеча золотника управления. Также важно учитывать, что постоянство демпфирования напрямую зависит от стабильности вязкости масла, поэтому настройка демпфирующего эффекта должна проводиться при рабочей температуре системы.