Гидрораспределитель FESE32CC-30/450LKDB1М-1 Rexroth
✓ Сертифицированное оборудование
✓ Гарантия надежной эксплуатации
✓ Контроль качества на каждом этапе
✓ Современное оборудование
✓ Быстрая отгрузка
Основные технические данные
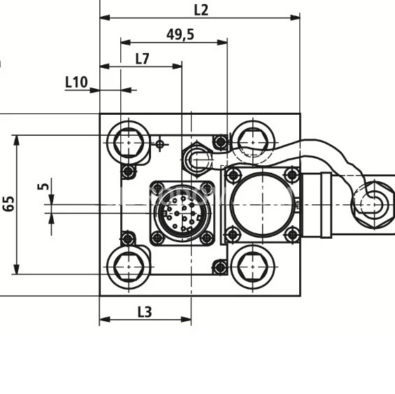
Условный проход : 10мм
Рабочее давление: 35МПа
Пропускная способность: 80л.
Тип монтажа: модульный (стыковой, плиточный)
Масса :5 кг
Схема распределения потока рабочей жидкости:



Пилотный 2-ходовой пропорциональный дроссельный клапан для блочной установки имеет установочные размеры по стандарту DIN ISO 7368 и обеспечивает электрически замкнутое положение золотника дроссельного клапана. Он допускает поток в обоих направлениях. В случае отключения питания, разрыва кабеля или снятия включения золотник автоматически возвращается в положение седла, блокируя поток. Клапан совместим с компенсатором давления для управления расходом с учетом давления.
Существует два типа: FES, который требует внешней управляющей электроники и доступен по отдельному заказу, и FESE, полностью интегрированный с электронной системой управления, опционально с интерфейсом на напряжение или ток. Оба типа предназначены для бесступенчатого управления расходом.
Клапан включает четыре основных компонента: крышку для установки масляных портов, главный клапан с золотником, пилотный клапан с пропорциональным соленоидом и встроенную электронную систему управления (которая отсутствует в типе FES) с датчиком положения.
Функция клапана управляет положением золотника в замкнутом контуре, который зависит от команды, и определяет его открытие. Расход получает свое значение от разности давления на отверстии и позиции золотника. Функция управления включает сравнение заданного и фактического значений с передачей отклонений на соленоид для коррекции положения золотника.
Клапан также обеспечивает управление потоком. В случае потери напряжения встроенная электроника отключает соленоид, и золотник возвращается в седло, минимизируя утечки. Все эти элементы сделаны для обеспечения надежности и точности в управлении потоком жидкости.