Гидрораспределитель 4WRZ25E-35-325-AO/6A 24NZ4/M-981-2 Rexroth
✓ Сертифицированное оборудование
✓ Гарантия надежной эксплуатации
✓ Контроль качества на каждом этапе
✓ Современное оборудование
✓ Быстрая отгрузка
Основные технические данные
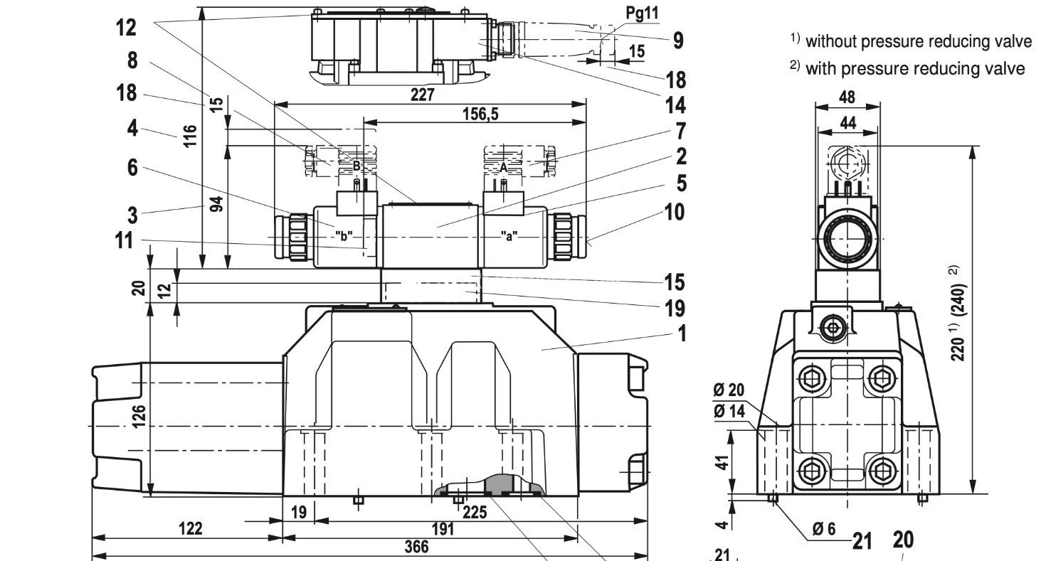
Условный проход : 25мм
Рабочее давление: 35МПа
Пропускная способность: 2800л.
Тип монтажа: модульный (стыковой, плиточный)
Масса : 18 кг
Схема распределения потока рабочей жидкости:


Клапаны типа 4WRZ… представляют собой пилотные 4-ходовые направления, работающие от пропорциональных соленоидов и отвечающие за управление направлением и объемом потока. Клапаны типа 5WRZ… дополнительно имеют порт "R" (только в размере 52) и могут быть оснащены приводным соленоидом "b" (6).
Конструкция клапанов включает: пилотный регулирующий клапан (9),который управляется пропорциональными соленоидами (5 и 6) в зависимости от электрического входного сигнала; главный клапан (10),содержащий основной золотник управления (11) и центрирующую пружину (12) с характерной для него производительностью потока.
Важно отметить, что в результате конструктивных особенностей внутренняя утечка может наблюдаться через порт P или внешне через порт X, причем такой эффект может усиливаться по мере эксплуатации. При отключении соленоида (6) золотник возвращается в центральное положение. В зависимости от состояния переключения, поток может направляться от P к A и от B к T, или от P к B и от A к T (R),когда управляющий золотник (2) не получает питания от соленоида.
При отключении соленоидов (5, 6) главный управляющий золотник (11) удерживается в центральной позиции за счет управления клапаном (9). Главный золотник управления движется пропорционально, что позволяет золотнику управления (2) смещаться вправо, а масло управления поступает в камеру давления (13) через управляемый клапан (9),что, в свою очередь, отклоняет главный золотник управления (11).
Дополнительно ручное управление (14 и 15) может использоваться для перемещения, однако случайная активация этого управления может вызвать неконтролируемые движения машины. Обратите внимание на важные сведения о гидравлических жидкостях! Для подробной информации по использованию различных гидравлических жидкостей обратитесь к листу данных 90220 или свяжитесь с нами. Существуют ограничения по техническим характеристикам клапанов (температура, диапазон давления, срок службы и т. д.). Температура вспышки используемой жидкости должна быть на 40 К выше максимальной температуры поверхности соленоида.
Огнестойкие жидкости, содержащие воду, имеют максимальный перепад давления на кромке управления 175 бар. Предварительная нагрузка давления на порту бака должна составлять более 20% перепада давления, иначе может возникнуть высокая кавитация. Сравнительно со значениями для работы с минеральным маслом, срок службы может варьироваться от 50% до 100%.