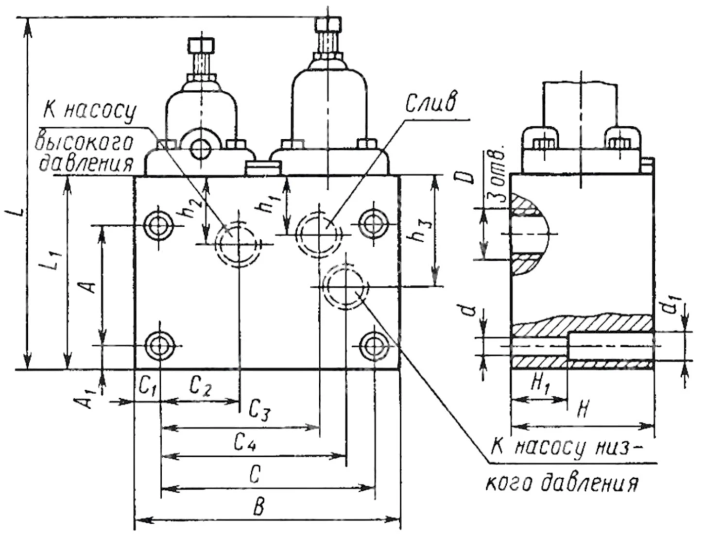
Гидропанель ПГ53-34
✓ Сертифицированное оборудование
✓ Гарантия надежной эксплуатации
✓ Контроль качества на каждом этапе
✓ Современное оборудование
✓ Быстрая отгрузка
Технические характеристики:
-
Условный проход: 20 мм
Тип монтажа : стыковой
Номинальный расход рабочей жидкости: 80 л/мин
Номинальное давление: 1,6 - 10 МПа
-
Масса,кг: 12,9
-

Гидравлическая гидропанель ПГ 53-34 служит важным узлом управления потоком в гидравлических системах станков и других гидрофицированных механизмов. Она предназначена для защиты систем от перегрузок давления в конфигурациях с двумя напорными линиями.
Ключевые задачи:
- предотвращение перегрузок давлением в гидросистемах;
- применение в шлифовальных, хонинговальных и заточных устройствах для регулирования движения рабочих органов;
- управление ускорением разгона и паузами при переключении направления.