Гидромотор радиально-поршневой высокомоментный MR1100 N7 Vickers
✓ Сертифицированное оборудование
✓ Гарантия надежной эксплуатации
✓ Контроль качества на каждом этапе
✓ Современное оборудование
✓ Быстрая отгрузка
Технические характеристики:
Рабочий объем, см3: 1125,8
Номинальная подача, л/мин: 10
Номинальное давление на выходе, МПа: 20
Частота вращения, об./мин.: 1-350
Масса, кг: 140

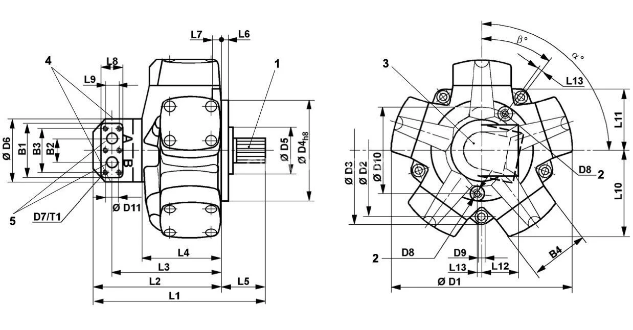
Исключительная эффективность данного мотора связана с его уникальной патентованной конструкцией. Основной принцип заключается в передаче усилия от статора к вращающемуся валу (2) через столб масла под давлением (a),вместо традиционно используемых соединительных элементов, таких как стержни, поршни, башмаки и пальцы.
Столб масла помещен в телескопический цилиндр (1),который имеет механические соединения на краях с обеих сторон, что обеспечивает герметичность относительно сферических поверхностей головок цилиндров (3) и вращающегося вала (4). Эти соединения поддерживают круглое поперечное сечение под давлением, сохраняя геометрию уплотнения. Оптимальный выбор материалов и конструктивные решения минимизируют трение и утечки.
Еще одним преимуществом является отсутствие соединительных стержней: цилиндр может только линейно удлиняться и сокращаться, что исключает поперечные тяговые компоненты. Это позволяет избежать овальной формы износа движущихся частей и возникновения боковых усилий на шарнирах цилиндров. Инновационная конструкция приводит к значительному снижению массы и размеров по сравнению с аналогичными моторами.
Система синхронизации реализована через ротационный клапан (5),который приводится в движение валом ротационного клапана (8),соединенным с вращающимся валом. Ротационный клапан осуществляет вращение между пластиной ротационного клапана (6) и статорным кольцом (7),которые закреплены в моторном корпусе. Эта система также включает запатентованный механизм для компенсации давления и термического расширения.
Достоинства этого типа клапана в сочетании с новаторским размещением цилиндров обеспечивают мотору высокие показатели механической и объемной эффективности. Крутящий момент остается стабильным даже при низких оборотах, а чувство эффективного запуска под нагрузкой сохраняется.
Корпус мотора необходимо промывать, если его эксплуатационные характеристики находятся в «Области непрерывной работы с промывкой» (см. рабочую диаграмму на стр. 8 – стр. 18),чтобы поддерживать минимальную вязкость на уровне 30 мм²/с (см. стр. 6 — выбор жидкости). Промывка может требоваться и вне данной области, если система не поддерживает минимальную вязкость, необходимую для работы мотора согласно данным на стр. 6.
Температуру масла внутри корпуса можно определить, добавив 3 °C к температуре на поверхности мотора (tA, см. иллюстрации). При стандартном уплотнении вала максимальное давление сброса корпуса составляет 5 бар. Для выбора дроссельного устройства обратитесь к производителю.