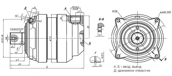
Гидромотор планетарно-роторный ГПР-Ф-М-320
✓ Сертифицированное оборудование
✓ Гарантия надежной эксплуатации
✓ Контроль качества на каждом этапе
✓ Современное оборудование
✓ Быстрая отгрузка
Технические характеристики:
Рабочий объем, см3: 320
Номинальная подача, л/мин: 96
Номинальное давление на выходе, МПа: 16
Частота вращения, об./мин.: 300
Масса, кг: 22

Гидромотор ГПР-Ф-М-320, также известный как гидромотор-редуктор, относится к группе специализированных нерегулируемых планетарно-роторных гидромашин шестерённого типа с внутренним зацеплением. Основное назначение — выступать в роли силового привода в мобильных машинах и стационарных станках, где необходима плавная работа на низких оборотах. Примеры применения включают гидросистемы в сельскохозяйственном, дорожном и строительном оборудовании, таких как прессовщики комбикорма, укладчики и бетономешалки.
Мотор также неофициально называют «тихоходным».
Принцип работы ГПР-Ф-М-320 основан на размещении в его корпусе двух шестерен: меньшая шестерня, являющаяся ведущей и обладающая смещенной осью относительно большей, которая выполняет роль стационарной. Рабочая жидкость (минеральное масло),подаваемая под давлением в мотор, воздействует на зубья меньшей шестерни, заставляя её и связанный с ней вал вращаться.
К особенностям ГПР-Ф-М-320 можно отнести наличие редуктора, который находится в едином корпусе с мотором: он преобразует высокие обороты гидравлической части в меньшие, но обеспечивает больший крутящий момент на основном приводном валу.