Гидроклапан VAA/RU/DL 34/TS/S OLEOSTAR
✓ Сертифицированное оборудование
✓ Гарантия надежной эксплуатации
✓ Контроль качества на каждом этапе
✓ Современное оборудование
✓ Быстрая отгрузка
Основные параметры клапана:
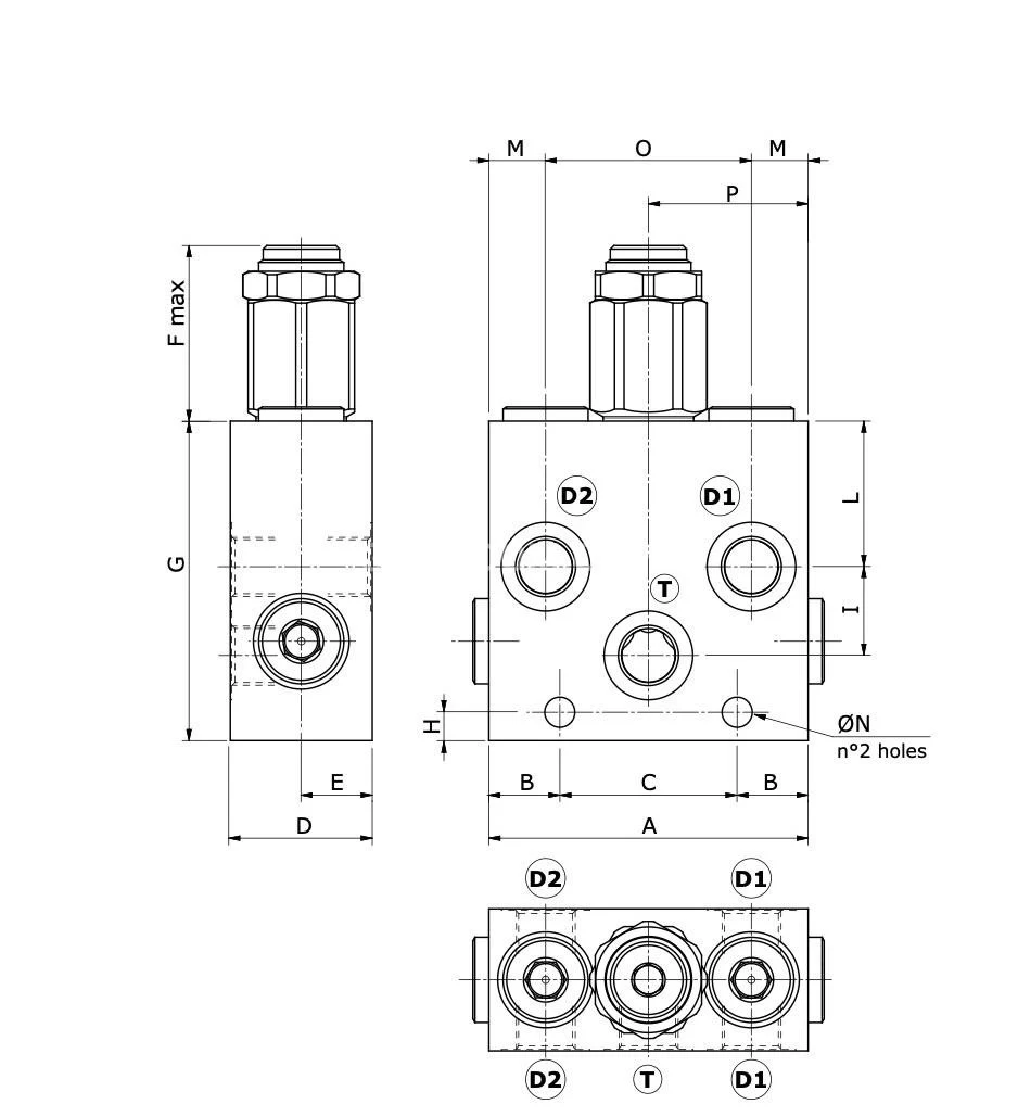
Диаметр условного прохода - 6 мм
Давление нагнетания ном. - 35 МПа
Расход рабочей жидкости ном. - 120 л
Тип монтажа: резьбовой

Изменения и корректировки технических характеристик и размеров защищены. Компания WALVOIL S.p.A. оставляет за собой право прекратить производство любой модели из каталога без предварительного уведомления. Авторские права на текст настоящего документа принадлежат WALVOIL S.p.A. Полное или частичное воспроизведение каталога запрещено. WALVOIL не несёт ответственности за любые убытки, вызванные неправильным использованием продукции. Рекомендуемая рабочая жидкость – минеральное масло с вязкостью от 10 до 200 сСт. Основной причиной поломок и проблем с работой гидравлических систем служит загрязнённое масло. В таблице приведены рекомендации OLEOSTAR S.p.A. по минимально допустимому уровню загрязнённости масла в соответствии с индивидуальными спецификациями различных изделий, что поможет обеспечить безопасность вашего гидравлического оборудования и собранных клапанов. Перед установкой картриджа в корпус клапана следует обязательно смазать прокладку чистым маслом и вручную вкрутить картридж, чтобы он соприкасался с прокладками в корпусе. Внутренние компоненты изготовлены из высококачественной стали, прошедшей соответствующую обработку. За дополнительной информацией можно обратиться в наш технический отдел. Рабочая температура: минимальная -25°C (-13°F),максимальная 90°C (194°F) с уплотнениями BUNA N; минимальная -20°C (-4°F),максимальная 200°C (392°F) с уплотнениями VITON. Номинальные характеристики, представленные в каталоге, измерены для минерального масла с вязкостью 46 сСт при температуре 40°C (104°F). Все размеры на чертежах указаны в миллиметрах.