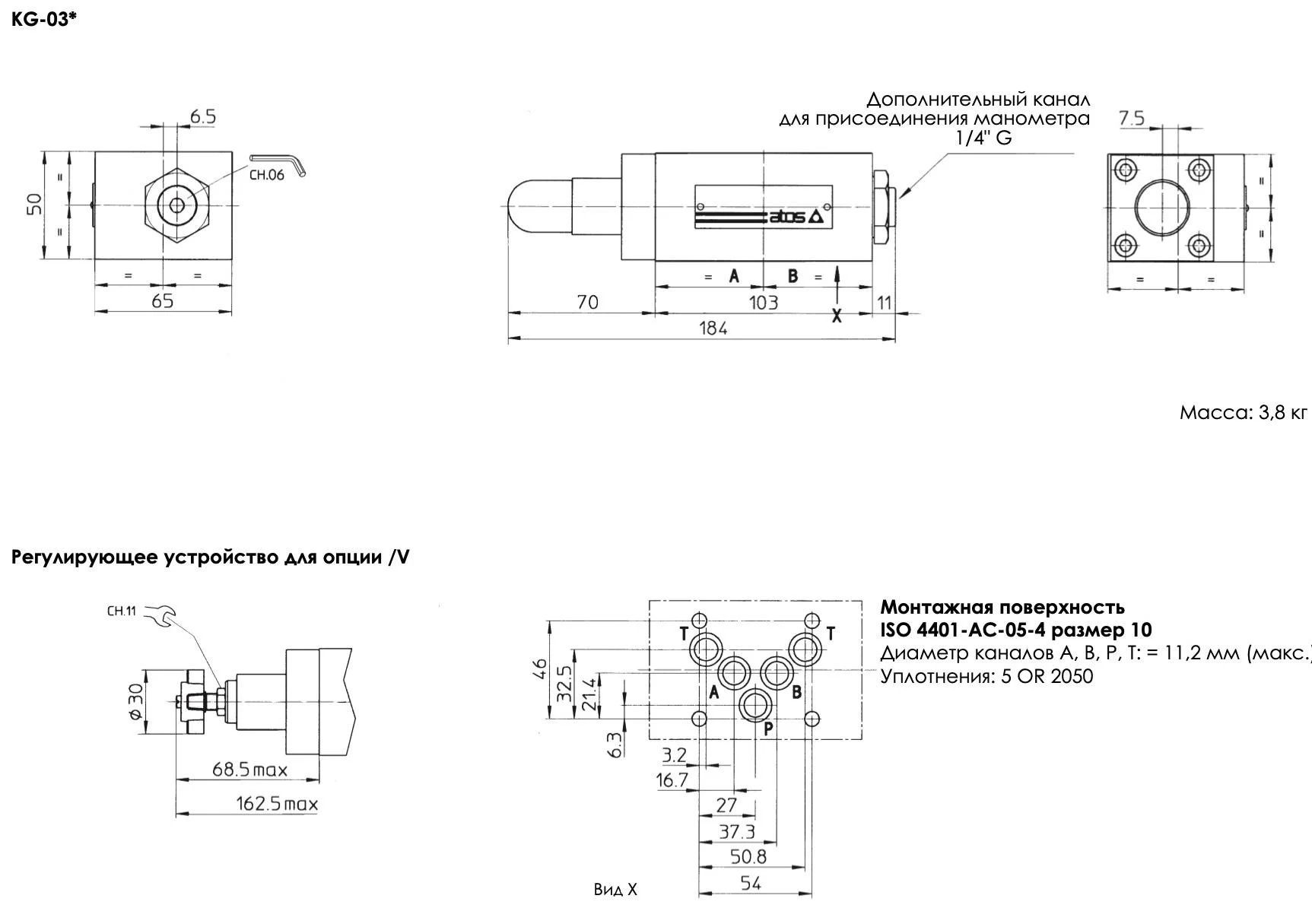
Гидроклапан редукционный KG-031/100 ATOS
✓ Сертифицированное оборудование
✓ Гарантия надежной эксплуатации
✓ Контроль качества на каждом этапе
✓ Современное оборудование
✓ Быстрая отгрузка
Основные параметры клапана:
Диаметр условного прохода - 10 мм
Давление нагнетания ном. - 31,5 МПа
Расход рабочей жидкости ном. - 100 л
Тип монтажа : стыковое

Модульный редукционный клапан HG-031/100 обеспечивает переход жидкости из области высокого давления в область с более низким давлением, одновременно поддерживая установленное давление. Он разработан для регулирования давления в гидравлических системах. Редукционные клапаны HG, KG и JPG относятся к золотниковому типу и предназначены для использования в масляных гидравлических системах. Клапаны HG являются прямодействующими, трехлинейными; KG – двухкаскадными трехлинейными; JPG – двухкаскадными двухлинейными. В стандартной модели регулировка давления осуществляется путем ослабления контргайки вращения регулировочного винта. Также существует возможность заказа версии с регулировочной рукояткой. Поворачивая по часовой стрелке, можно увеличить давление. HG соответствует стандарту ISO 4401 размер 06 и обеспечивает расход до 50 л/мин с регулируемым давлением до 210 бар. Клапан KG имеет размер ISO 4401 10, с расходом до 100 л/мин и таким же регулируемым давлением. JPG-2 имеет размер ISO 4401 16, с расходом до 250 л/мин и давлением до 210 бар, тогда как JPG-3 с размером ISO 4401 25 может обеспечивать расход до 300 л/мин при таком же давлении. Все клапаны рассчитаны на работу в гидравлических системах с минеральным маслом или синтетической жидкостью, обладающей аналогичными смазывающими свойствами.