Гидроклапан предохранительный ZDB6VA2-42/315 Rexroth
✓ Сертифицированное оборудование
✓ Гарантия надежной эксплуатации
✓ Контроль качества на каждом этапе
✓ Современное оборудование
✓ Быстрая отгрузка
Основные параметры клапана:
Диаметр условного прохода - 6 мм
Давление нагнетания ном. - 31,5 МПа
Расход рабочей жидкости ном. - 60 л
Тип монтажа : модульный

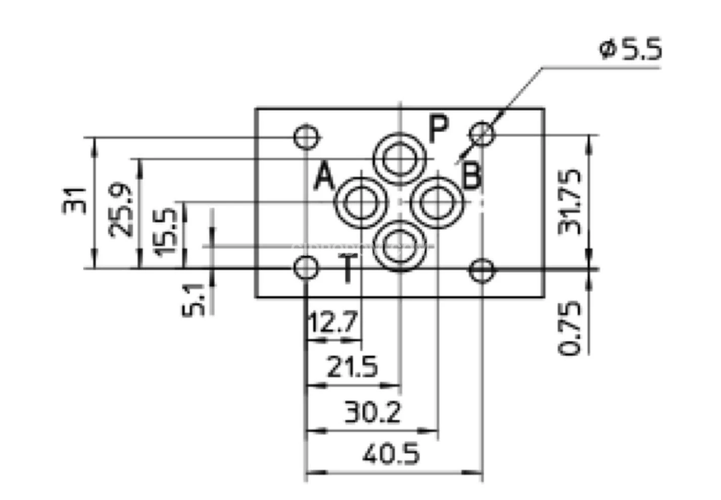
Клапан предохранительный модульный серии ZDB6 представляет собой полностью завершенный прибор, предназначенный для регулировки максимального давления в гидравлическом контуре или всей системе за счет перепуска жидкости из одной магистрали в другую при достижении заданного давления. Такой клапан часто называют переливным. Его характеристики включают стыковые поверхности по стандарту CETOP 3 (NG6 ISO 4401),несколько вариантов исполнения, возможность регулировки давления в диапазоне от 0 до 315 бар, расход до 60 л/мин, максимальное рабочее давление 315 бар, рабочую температуру в диапазоне от –30 до +80°С и уплотнения из NBR.