Гидроклапан предохранительный МКПВ4/3СК3
✓ Сертифицированное оборудование
✓ Гарантия надежной эксплуатации
✓ Контроль качества на каждом этапе
✓ Современное оборудование
✓ Быстрая отгрузка
Основные параметры клапана:
Диаметр условного прохода - 4 мм
Давление нагнетания ном.- 32 МПа
Расход рабочей жидкости ном. - 4 л
Тип монтажа : стыковой

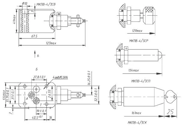
Гидроклапаны предохранительные МКПВ - 4/3С предназначены для поддержания заданного уровня давления, предотвращая его превышение и позволяя разгрузку гидросистем. Эти клапаны применяются в гидроприводах прессов, станков, литейных и других машинах. Модель МКПВ-4/3СВ3 представляет собой регулируемый предохранительный гидравлический клапан с тремя функциями: защитой системы от повышенного давления, поддержанием нормализованного давления и принудительной разгрузкой. Он используется в различных гидрофицированных механизмах, подходящих для металло- и деревообрабатывающих станков, а также в мобильной технике коммунального и сельскохозяйственного назначения.
Конструкция клапана включает два внутренних клапана: основной и вспомогательный. В случае превышения давления они направляют рабочую жидкость от нагнетательного канала P к каналу слива T. После нормализации давления его уровень фиксируется вспомогательным клапаном. Установка давления срабатывания осуществляется путем поворота регулировочного винта с головкой под ключ. Для разгрузки системы предусмотрен канал Х, который позволяет произвести разгрузку вручную в соединении с каналом T. Модель МКПВ-4/3СВ3 устанавливается с помощью стыкового соединения (на плиту).