Гидроклапан предохранительный КПМ6/3В3 (2-20МПа)
✓ Сертифицированное оборудование
✓ Гарантия надежной эксплуатации
✓ Контроль качества на каждом этапе
✓ Современное оборудование
✓ Быстрая отгрузка
Основные параметры клапана:
Диаметр условного прохода - 6 мм
Давление нагнетания ном. - 2 - 20 МПа
Расход рабочей жидкости ном. - 35 л
Тип монтажа : модульный

Общие сведения об изделии
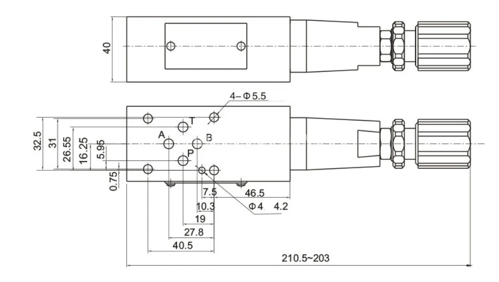
Клапан предохранительный КПМ-В предназначен для поддержания постоянного давления в гидросистемах станков, прессов и других машин, защищая их от избытка давления. Клапан выполнен в климатическом исполнении УХЛ для тропического климата, соответствующего 4 категории по ГОСТ 15150-69. Он работает с чистым минеральным маслом марки ИГП 18 ТУ 8-101-413-78 при температуре масла от 0 до +70°C. Тонкость фильтрации масла должна составлять не более 25 мкм, а класс чистоты масла — не ниже 12 по ГОСТ 17216-71. Разрешается использовать другие минеральные масла с аналогичными характеристиками. Температура окружающей среды должна находиться в пределах от 0 до +50°C. Основные размеры клапана представлены на рисунке 1.
Основные технические данные и характеристики
При использовании масла ИГП 18 ТУ 38-101-413-78 с вязкостью от 30 до 35 мм²/с основные параметры клапана указаны в таблице 1. Вибрационные характеристики клапана соответствуют первой степени жесткости по ГОСТ 16962-71. Виброустойчивость также относится к первой степени жесткости по тому же стандарту. Критерии отказов включают удвоение внутренней герметичности и увеличение диаметра на 30%.
Порядок установки
Внутренние поверхности клапана смазаны минеральным маслом, а наружные, неокрашенные, защищены консервационной смазкой. Для расконсервации клапан необходимо промыть уайт-стиритом или бензином и просушить. Взаимное расположение основных деталей показано на рисунке 2. Перетекание жидкости от входного отверстия к сливному перекрывается конусом золотника. При повышении давления жидкости выше уровня настройки пружины золотник открывается.