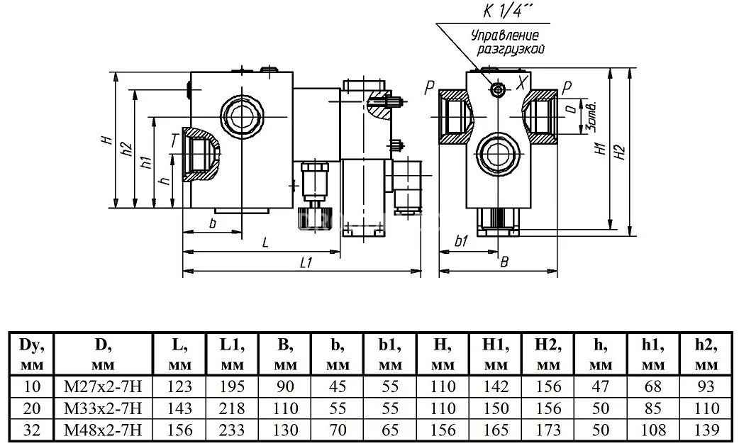
Гидроклапан предохранительный КП10.10Т В220 (10-10-1-11-132)
✓ Сертифицированное оборудование
✓ Гарантия надежной эксплуатации
✓ Контроль качества на каждом этапе
✓ Современное оборудование
✓ Быстрая отгрузка
Основные параметры клапана:
Диаметр условного прохода - 10 мм
Давление нагнетания ном.- 10 МПа
Расход рабочей жидкости ном. - 40 л
Тип монтажа : трубный

Гидроклапаны служат для поддержания заданного давления, защиты от его превышения и разгрузки гидросистемы. Они используются в гидроприводах станков, прессов, литейных машин, а также в мобильной технике и другом гидрофицированном оборудовании. Гидроклапаны функционируют на минеральных маслах, очищенных до 12 класса чистоты по ГОСТ 17216-71. Эти устройства являются аппаратами непрямого действия и включают основной и управляющий каскады. Управляющий каскад представлен гидроклапаном давления прямого действия и может быть оснащён гидропилотом для электрического управления разгрузкой. Основной каскад включает затвор с подпружиненным клапаном, который взаимодействует с гильзой. В корпусе устройства предусмотрены отверстия для подвода Р, отвода Т и подвода управления Х.