Гидроклапан обратный VRO 03 PORTA
✓ Сертифицированное оборудование
✓ Гарантия надежной эксплуатации
✓ Контроль качества на каждом этапе
✓ Современное оборудование
✓ Быстрая отгрузка
Основные параметры клапана:
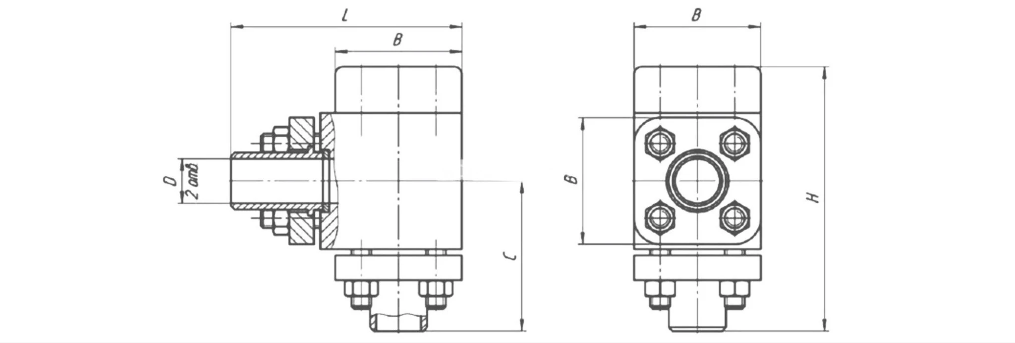
Диаметр условного прохода: 32 мм
Давление нагнетания ном. - 32 МПа
Расход рабочей жидкости ном. - 320 л/мин
Тип монтажа: резьбовое

Гидроклапаны обратные VRO 03 предназначены для обеспечения одностороннего потока жидкости в гидросистемах станков и прессов, а также для поддержания давления в сливных маслопроводах этих систем. Они работают на минеральных маслах с фильтрацией 25 мкм и вязкостью от 10 до 400 мм²/с при температуре масла от 10 до 70 °С и температуре окружающей среды от 1 до 55 °С.
Состав, устройство и работа изделия описаны следующим образом. В чугунном корпусе 1, который имеет входные и выходные отверстия для рабочей жидкости, расположен клапан 7. Этот клапан прижимается пружиной 8 к конусной части внутренней фаски корпуса, разделяя каналы 3 и 12. Направляющее отверстие закрыто пробкой с уплотнением кольцом 6. При подводе масла под давлением в канал 12 клапан приподнимается, позволяя жидкости проходить через канал 3. Если поток меняет направление, масло поступает в надклапанную полость и прижимает клапан к седлу, закрывая доступ масла в канал 12.
Порядок установки. При распаковке гидроклапана следует осмотреть его и проверить комплектность. Перед расконсервацией необходимо удалить защитную смазку с наружных поверхностей и протереть их салфетками, смоченными уайт-спиритом или бензином, внутренние поверхности чистке не подлежат. Гидроклапаны должны устанавливаться в удобных и доступных для обслуживания местах. Соединения трубопроводов с гидроклапанами должны исключать внешние утечки масла и попадание воздуха в систему.