Гидроклапан обратный MPZ-06-F+B IMAV
✓ Сертифицированное оборудование
✓ Гарантия надежной эксплуатации
✓ Контроль качества на каждом этапе
✓ Современное оборудование
✓ Быстрая отгрузка
Основные параметры клапана:
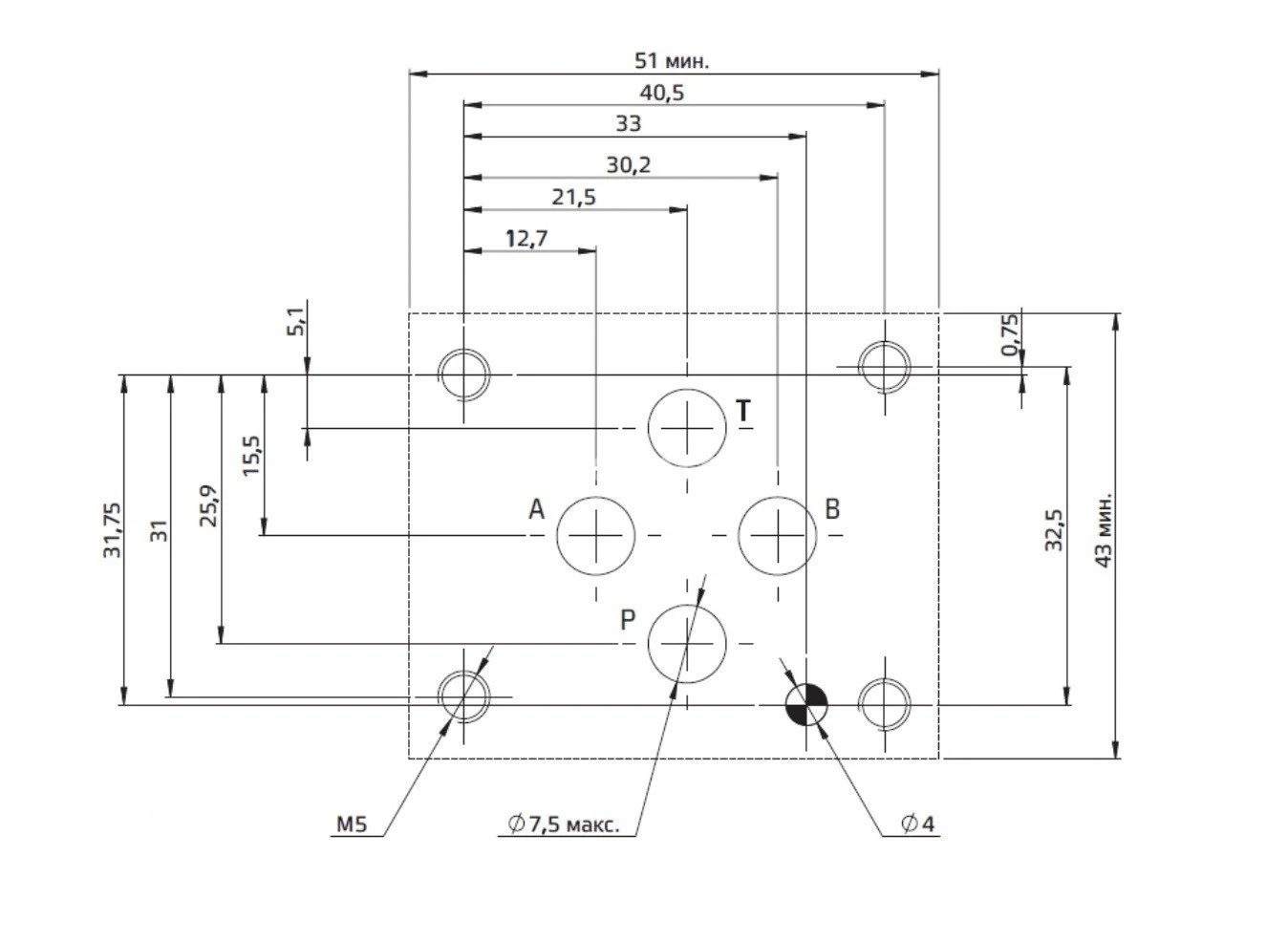
Диаметр условного прохода: 20 мм
Давление нагнетания ном. - 31,5 МПа
Расход рабочей жидкости ном. - 250 л/мин
Тип монтажа: модульный

Клапаны MPZ формируют компактные гидравлические системы, в которых модульные клапаны устанавливаются между распределителем и стандартной монтажной поверхностью в виде «сэндвича». Такая компактная конструкция способствует улучшению реактивности системы, так как устраняет внешние жидкости, что, в свою очередь, минимизирует шум и предотвращает утечки. Эти клапаны показали свою надежность и обеспечивают возможность создания небольших управляющих узлов, особенно в комбинации с многопозиционными коллекторами. Монтажная поверхность подходит для подключения к распределителям направления и имеет код «5» в обозначениях моделей клапанов.
Клапаны требуют меньше пространства благодаря своей штабелируемой конструкции и обеспечивают компактное и экономичное управление направлением, скоростью и усилием привода. Они снижают стоимость установки, так как исключают необходимость в промежуточных трубопроводах и соединениях, что уменьшает количество потенциальных мест утечек. Эти клапаны просты в установке и универсальны, так как они имеют все необходимые внутренние проходы, чтобы обслуживать установленные над ними направленные распределители. Установка упрощается за счет комплектов удлинителей болтов Eaton, позволяющих быстро и корректно установить каждый клапан отдельно.
Клапаны также отличаются высокой прочностью и надежностью; их внутренние рабочие компоненты изготовлены из закаленной стали и размещены в корпусе из качественного чугуна. Это обеспечивает отличную надежность даже при высоком давлении. Рабочие части могут обслуживаться без необходимости снимать клапаны.