Гидроклапан МКГВ32/3Ф2.И2
✓ Сертифицированное оборудование
✓ Гарантия надежной эксплуатации
✓ Контроль качества на каждом этапе
✓ Современное оборудование
✓ Быстрая отгрузка
Основные параметры клапана:
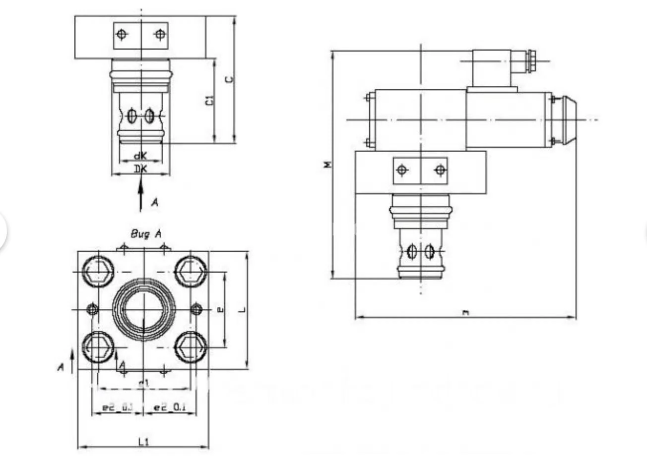
Диаметр условного прохода - 32 мм
Давление нагнетания ном. - 32 МПа
Расход рабочей жидкости ном. - 160 л
Тип монтажа : фланцевое

Общие сведения о продукте
Полное наименование изделия — гидроуправляемый клапан встраиваемого типа МКГВ (в дальнейшем — гидроуправляемый клапан). Эти клапаны предназначены для надежного запирания потока рабочей жидкости в одном положении запорного элемента и для свободного пропускания потока в другом. Гидроуправляемые клапаны применяются в гидроприводах прессов, станков, литейных машин и другого оборудования.
Гидроуправляемые клапаны функционируют на минеральных маслах с кинематической вязкостью от 20 до 200 мм²/с и температурой от 10 до 70 °C при окружающей температуре от 1 до 55 °C. Рекомендуемые рабочие жидкости: И-20А, И-ЗОЛ, 11-40Л по ГОСТ 20799-75, ВНИИ НШ-403 по ГОСТ 16728-78, ИГП-18, ИГП-30 и ИП-38.
Структура, устройство и работа изделия
Гидроуправляемый клапан состоит из затвора и фланца. В комплект затвора входят гильза, клапан, пружина и переходная втулка. Комплект затвора монтируется в отверстие гидроблока и прижимается фланцем. Для герметизации на гильзе предусмотрены резиновые и защитные кольца. Резиночки для уплотнения управляющих каналов находятся на торцевой поверхности фланца. Технологические отверстия во фланце закрыты коническими пробками.
В зависимости от типа запорного элемента существуют различные исполнения затворов, с разными соотношениями надклапанной и подклапанной площадей. Например, существуют варианты как с дросселирующей цапфой, так и без нее. При этом герметичность достигается посадкой конической поверхности клапана на краешек гильзы. Дросселирующая цапфа клапана имеет особую форму для уменьшения потока рабочей жидкости.
Во фланце гидроуправляемого клапана с элементом "или" установлены седла с уплотнениями и шарик, который управляется потоком жидкости. В конструкции с гидрозамком есть элементы, аналогичные элементам "или", но с выполнением сквозного канала, закрытого пробками. Система с обратным клапаном также обеспечивает надежное функционирование за счет пружины и шарика.
Порядок установки
Сначала удалите крышку упаковки, стараясь не повредить изделие. Извлеките клапан и снимите защитный колпачок. Убедитесь, что с внешних поверхностей удалена консервационная смазка, и промойте изделие. Устанавливайте клапан в монтажное отверстие. Если клапан подключен к гидрораспределителю, то сначала нужно снять распределитель перед установкой клапана.
Гидроуправляемые клапаны крепятся винтами с классом прочности не менее 10.9 по ГОСТ 1759-70, и момент затяжки должен составлять 4 ± 2 н•м. Размеры под крепежные винты соответствуют данным в ГОСТ 12876-67. Положение клапана при эксплуатации может быть любым.