Гидроклапан HY511.12 PLASSE&THEURER
✓ Сертифицированное оборудование
✓ Гарантия надежной эксплуатации
✓ Контроль качества на каждом этапе
✓ Современное оборудование
✓ Быстрая отгрузка
Основные параметры клапана:
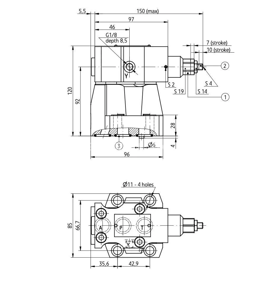
Диаметр условного прохода - 35 мм
Давление нагнетания ном. - 10 МПа
Расход рабочей жидкости ном. - 150 л
Присоединение : стыковое

Применение разгрузочного клапана с регулируемым гистерезисом типа HY… осуществляется в гидравлических системах с насосом и гидроаккумулятором (или вторым насосом). Основная функция клапана заключается в разгрузке потока насоса в сливную линию, когда давление в гидроаккумуляторе достигает установленного значения разгрузки. Клапан соединяет насос с линией питания гидроаккумулятора, как только давление в гидроаккумуляторе опускается до заданного уровня давления нагрузки. Рабочий гистерезис клапана может варьироваться от 17% до 50%. Изделие соответствует нормам директивы 2014/35/UE.
При установке и эксплуатации необходимо придерживаться следующих требований. Используйте только полностью исправный и работоспособный клапан, который правильно подключён к электроустановке, и операции подключения и отключения должны выполнять квалифицированные специалисты. Заземление должно быть подключено к защитному проводу системы питания в соответствии с установленными инструкциями. Вилка соленоида должна плотнo соединяться с гнездом и надёжно фиксироваться резьбовым болтом. Если не обеспечены герметичность и надёжная фиксация кабеля, эксплуатация клапана запрещена. Следует поддерживать вязкость жидкости в соответствии с указанными в техническом паспорте требованиями. Для надёжной и безопасной работы необходимо проверять состояние электрических соединений, работу клапана и чистоту гидравлической жидкости. Клапан должен быть установлен так, чтобы исключить случайный контакт с соленоидом во время работы, или использовать соответствующие крышки в соответствии с европейскими стандартами: PN - EN ISO 13732 - 1 и PN - EN 4413. Соблюдайте размеры уплотнительных колец, моменты затяжки и рабочие параметры клапана, указанные в Паспортe - Руководстве по эксплуатации, для обеспечения герметичности соединения клапана с гидравлической системой. Лицо, эксплуатирующее клапан, обязано полностью ознакомиться с данным Паспортом - Руководством по эксплуатации.