Гидродвигатель поворотный ДПГ-125
✓ Сертифицированное оборудование
✓ Гарантия надежной эксплуатации
✓ Контроль качества на каждом этапе
✓ Современное оборудование
✓ Быстрая отгрузка
Технические характеристики:
Рабочий объем, см3: 400
Номинальная подача, л/мин: 12,5
Номинальное давление на выходе, МПа: 20
Масса, кг: 35

Поворотный гидродвигатель ДПГ представляет собой гидравлическое устройство, специально разработанное для преобразования энергии жидкости в механическую работу, обеспечивая вращательное движение. Он широко используется в различных отраслях, включая машиностроение, горное дело и строительные машины, благодаря своим высоким характеристикам мощности и надежности.
Технические характеристики ДПГ могут включать максимальную рабочую температуру, которая обычно колеблется в пределах 55–65°C, и диапазон давления, при котором устройство функционирует, составляющий до 16 МПа. Важно, чтобы вязкость используемого масла находилась в пределах 25–70 × 10^-6 м²/с, чтобы обеспечить стабильную работу. Также гидродвигатель должен обеспечивать точность фильтрации масла с размером частиц более 25 мкм, предотвращая загрязнение рабочих компонентов.
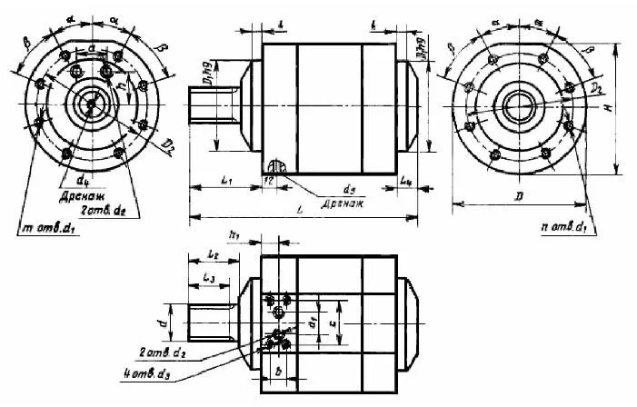
Состав изделия включает корпус с надежными уплотнениями для предотвращения утечек, поршни или лопасти, которые непосредственно взаимодействуют с маслом и придают движение валу, а также систему распределения масла, которая управляет потоками жидкости внутри устройства. Корпус, как правило, изготавливается из прочных материалов, обеспечивающих долговечность и устойчивость к механическому износу и воздействию различных внешних факторов.
Принцип работы поворотного гидродвигателя заключается в том, что высокое давление масла, подводимого к поршням, заставляет их перемещаться. Это движение поршней создает вращательное движение валом. При этом двигатель функционирует по принципу последовательного действия, когда несколько поршней работают по очереди, обеспечивая грузоподъемность и постоянное вращение. Управление направлением вращения достигается изменением направления потока масла: если масло направляется в одном направлении, вал вращается в одну сторону, и наоборот. Это позволяет гидродвигателю адаптироваться к различным производственным процессам и эффективно выполнять поставленные задачи.