Гидродроссель ПГ77-12
✓ Сертифицированное оборудование
✓ Гарантия надежной эксплуатации
✓ Контроль качества на каждом этапе
✓ Современное оборудование
✓ Быстрая отгрузка
Технические характеристики:
Условный проход, мм.: 10
Номинальное давление на выходе, МПа: 20
Номинальная подача, л/мин: 20
Тип монтажа: стыковой
Масса, кг.: 3

Регуляторы расхода ПГ77-12 и ПГ77-14 предназначены для работы с минеральными маслами, к которым предъявляются определенные требования: уровень очистки не ниже 13-го класса (по ГОСТ 17216-71),фильтрационная тонкость – 25 мкм, кинетическая вязкость – от 10 до 250 сСт, а температура – в диапазоне от +10 °С до +70 °С. Эти устройства могут функционировать при температуре окружающей среды от 0 °С до +40 °С.
В зависимости от номинального расхода гидродроссели ПГ 77-1* могут быть выполнены с условным проходом (Ду) в следующих вариантах: ПГ 77-12 (Ду=10 мм) и ПГ 77-14 (Ду=20 мм).
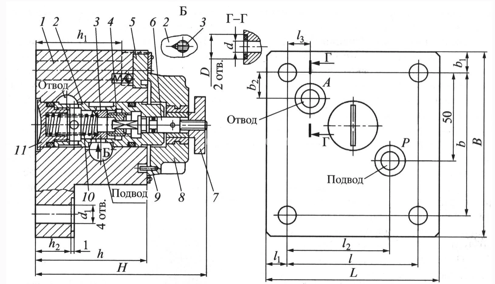
Дроссели (регуляторы расхода) ПГ 77-12 (14) предназначены для контроля скорости движения рабочих органов гидросистем станков и других гидравлических машин и устройств. Они состоят из следующих компонентов: корпус 1, втулка 2, втулка-дроссель 3, винт 4, валик 6, лимб 8, контргайка 7, пробка 11, пружина 10, указатель оборотов 5 и штифт 9 (смотрите схему выше).
Масло из гидросистемы поступает через входное отверстие "Подвод" и проходит через дросселирующую щель, образованную фасонным отверстием во втулке 2 и торцом втулки-дросселя 3 (смотреть Вид Б),после чего выводится через выходное отверстие ("Отвод"). Расход масла регулируется за счет изменения размера проходного сечения дросселирующей щели, что достигается осевым перемещением втулки-дросселя с помощью винта или пружины. Винт приводится в движение от лимба через валик. Для полного осевого перемещения втулки-дросселя необходимо сделать четыре оборота лимба, что обеспечивает плавную настройку расхода масла.
По завершении каждого полного оборота лимба указатель оборотов, удерживаемый от самопроизвольного вращения с помощью шарикового пружинного фиксатора, смещается на четверть оборота при помощи штифта. Благодаря острым кромкам по периметру дросселирующей щели практически исключается зависимость установленного расхода масла от температуры. Треугольная форма проходного сечения минимизирует риск засорения даже при небольших открытиях.
Пример условного обозначения регулятора расхода рабочей жидкости с условным проходом 10 мм, номинальным давлением на входе 20 МПа и номинальным расходом рабочей жидкости 20 л/мин, предназначенного для регионов с умеренным и холодным климатом, с категорией размещения 4: Регулятор расхода ПГ77-12 УХЛ4.