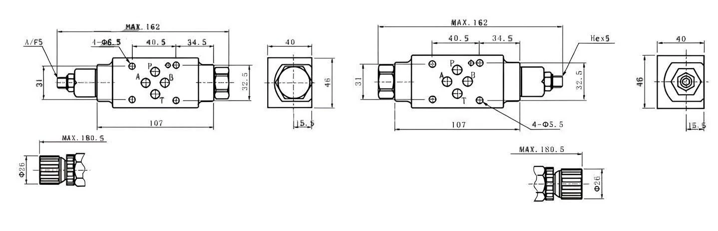
Гидродроссель ДКМ6/3М
✓ Сертифицированное оборудование
✓ Гарантия надежной эксплуатации
✓ Контроль качества на каждом этапе
✓ Современное оборудование
✓ Быстрая отгрузка
Технические характеристики:
Условный проход, мм.: 6
Номинальное давление на выходе, МПа: 32
Номинальная подача, л/мин: 12,5
Тип монтажа: модульный
Масса, кг.: 1,3

Технические характеристики ДКМ-6/3:
- гидродроссель функционирует на чистом минеральном масле ИГП 18 ТУ 38-101-413-78 при температуре масла в диапазоне от +20 до +50 °С;
- фильтрация масла производится с тонкостью 25 мкм, а класс его чистоты не ниже 12 по ГОСТ 17216-71 (также допускается использование других минеральных масел с аналогичными свойствами);
- температура окружающей среды должна быть в пределах от +1 до +45 °С;
- вибротехнические характеристики определяют III степень жесткости по ГОСТ 16962-71.
В настоящее время гидродроссели с обратным клапаном ДКМ 6/3 УХЛ4 используются в качестве замены для гидрораспределителей ДКМ 6/3-В УХЛ4 и ДКМ 6/3-А УХЛ4.
Порядок установки. Внутренние поверхности гидродросселя смазаны минеральным маслом. Наружные неокрашенные поверхности покрыты консервационной смазкой.
Для расконсервации промойте гидродроссель уайт-спиритом или бензином. Изменение величины расхода масла от 0 до наибольшего осуществляется с помощью упора 5 и связанного с ним дросселя 2. Дроссель одновременно служит обратным клапаном для свободного пропускания жидкости в обратном направлении.