Фильтр напорный сетчатый 0,04ВС42-52
✓ Сертифицированное оборудование
✓ Гарантия надежной эксплуатации
✓ Контроль качества на каждом этапе
✓ Современное оборудование
✓ Быстрая отгрузка
Технические характеристики:
Условный проход, мм: 16
Тонкость фильтрации, мкм: 40
Номинальный расход л/мин: 8
Тип монтажа: притычный
Масса , кг.: 0,81

Сетчатые фильтры типов АС42-5.., ВС42-5.. и С42-54А преимущественно устанавливаются в гидравлических и смазочных системах различных токарно-винторезных и шлифовальных станков, а также в других агрегатах. Фильтры типов АС42-5.., ВС42-5.. и С42-54А чаще всего применяются для очистки минеральных масел кинематической вязкостью до 500 мм²/с от вредных механических примесей.
Температура рабочей жидкости должна находиться в диапазоне 10° до +70°С, температура окружающей среды — не выше +55°С. Фильтры сетчатые типов АС42-5..., ВС42-5.., С42-54А производятся для районов с холодным и умеренным климатом в исполнении УХЛ4, а также для тропических стран в исполнении 04.1.
По способу присоединения к гидравлическим системам фильтры сетчатые могут быть:
- типа АС42-5.. с резьбовым присоединением;
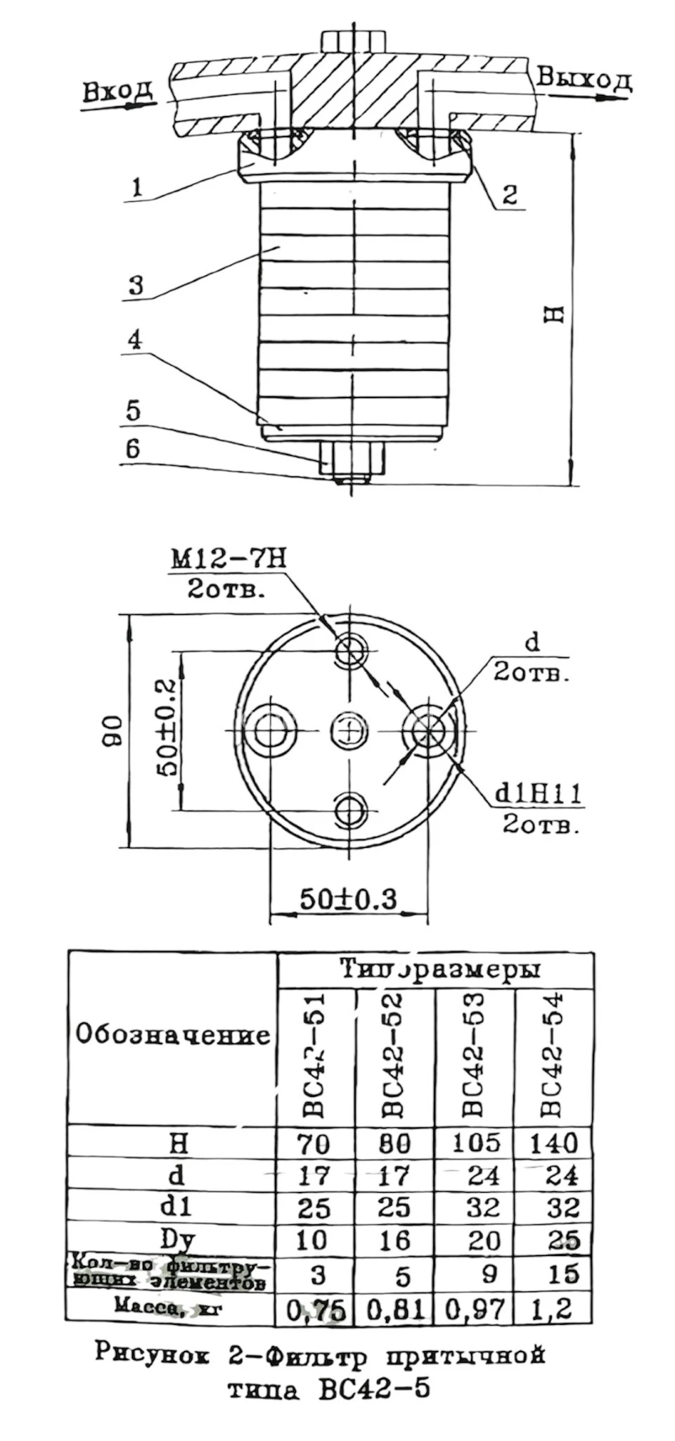
- типа ВС42-5.. с приточным присоединением.
Сетчатые фильтры, относящиеся к типу АС42-5.., ВС42-5.. и С42-54А, изготовляются по ТУ2-053-1614-82. Первая цифра в условном обозначении фильтра указывает на точность фильтрации, далее приводится информация о типе в зависимости от видов присоединения (АС, ВС) и размеро-номинальном расходе.
Перефразированный текст:
УСТРОЙСТВО И РАБОТА
Сетчатые фильтры типа АС42-5 и С42-54Л выпускаются с резьбовым соединением трубопроводов; у фильтров типа ВС42-5 предусмотрены врезные, устанавливаемые крышками смазочных баков и панелями гидросистем. Циркулирующая жидкость попадает в фильтр, проходит через ячейки сетчатого элемента, отделяет механические примеси и выходит из фильтра. Сетчатый фильтр типа ВС42-5 не имеет съемной части и имеет резьбовые посадочные места на входном и выходном отверстиях под резиновые уплотнения круглого сечения.
ЗАМЕТКИ ПО ЭКСПЛУАТАЦИИ И ХРАНЕНИЮ
Соблюдайте требования безопасности по ГОСТ 12.2.086-83 «гидроприводы объемные и системы смазочные. Общие требования безопасности к монтажу, испытаниям и эксплуатации».
Фильтры устанавливайте в гидросистему так, чтобы направление стрелки на крышке совпадало с направлением движения рабочей жидкости. Элементы фильтра очистите от загрязнений не реже чем после 100–200 часов работы. Промывайте фильтрующие элементы в керосине или бензине, затем продувается сухим чистым воздухом. Для этого ослабьте гайку 5 (рисунок 1),снимите шайбу 4 и фильтрующие элементы 3. При установке промытых фильтрующих элементов строго соблюдайте требование идентичности.
У головки 1 нет невидимых отверстий. Фильтрующие элементы оснащены восемью выступами, а отверстия для прохода масла различаются по своей характеристике: одно имеет замкнутый по периметру поясок, другое — разомкнутый. Расстояние между глухими отверстиями, расположенными возле входного и выходного отверстий на головке, различается. Поэтому первый фильтрующий элемент устанавливается с учетом выступов и глухих отверстий головки. Последующие элементы устанавливаются так, чтобы отверстие с замкнутым пояском совпадало с аналогичным отверстием на уже установленном элементе, а разомкнутое отверстие совпадало с разомкнутым отверстием второго элемента.
Условия хранения — уровень 2 (C) по ГОСТ 15150-69.