Фильтр магнитный очистительный ФМ7 (ФММ26)
✓ Сертифицированное оборудование
✓ Гарантия надежной эксплуатации
✓ Контроль качества на каждом этапе
✓ Современное оборудование
✓ Быстрая отгрузка
Технические характеристики:
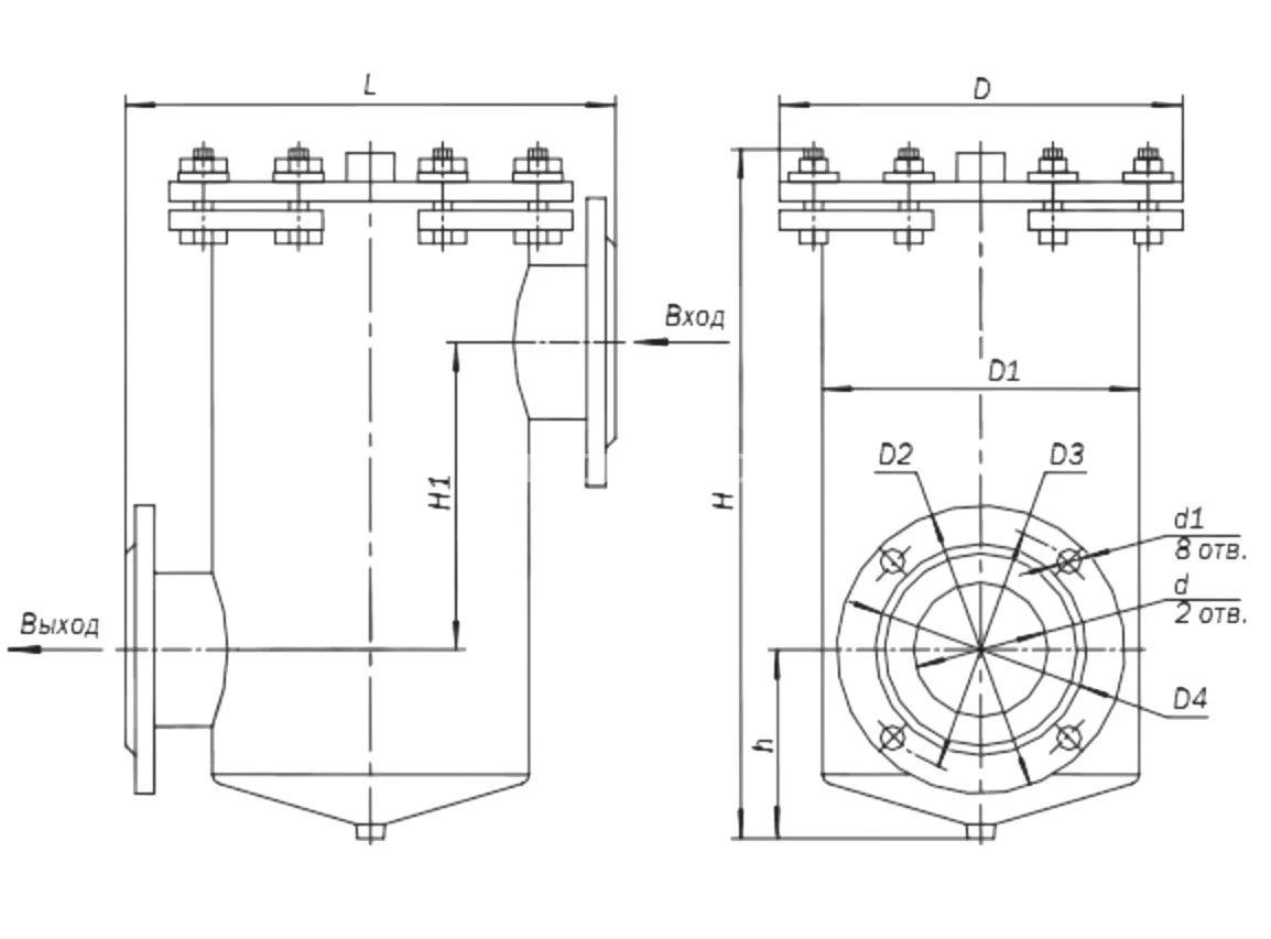
Условный проход, мм.: 63
Номинальное давление, МПа: 1,6
Номинальный расход, л/мин: 200
Масса , кг.: 16

Магнитные сепараторы ФММ используются для очистки минеральных масел и смазочно-охлаждающих жидкостей (включая керосин и смеси минеральных масел с керосином) от взвешенных магнитных частиц в сочетании с немагнитными. Применение такого сепаратора позволяет повысить чистоту обработки поверхностей деталей и многократно увеличить срок службы охлаждающих жидкостей.
Эти сепараторы рассчитаны на комплектование металлорежущих станков, кузнечно-прессового оборудования и другой гидрофицированной техники.
Сепараторы обеспечивают очистку минеральных масел и смазочно-охлаждающих жидкостей (керосина, смесей минерального масла с керосином) при вязкости от 1 до 75 мм²/с и в диапазоне температур от +10 до +50°С. Климатическое исполнение и категория размещения соответствуют умеренному климату (УХЛ4) и тропическому (О4.1).
Устройства и рабочий принцип сепараторов ФММ26 и ФММ27 идентичны тем же аспектам меньших моделей. Внешне различаются тем, что входной и выходной патрубки оснащены фланцевым креплением, а их оси расположены параллельно друг другу.
Магнитный очистительный сепаратор ФММ состоит из корпуса, крышки, пружины, фильтрующего пакета, который включает магнитный патрон с чередующимися магнитами и стальными шайбами, обечайки, крышки и пружинных элементов (или сетчатого каркаса),установленных между упором и стаканом. Загрязнённая жидкость поступает через входное отверстие, проходит по каналам в упоре и попадает в полость между магнитным патроном и пружинными элементами. Магнитные частицы осаждаются на магнитном патроне, затем жидкость проходит через зазоры пружинных элементов (или сетчатого каркаса),дополнительно очищается от немагнитных и остаточных магнитных частиц и выходит через выход сепаратора.