Дроссель путевой МДО-203Д
✓ Сертифицированное оборудование
✓ Гарантия надежной эксплуатации
✓ Контроль качества на каждом этапе
✓ Современное оборудование
✓ Быстрая отгрузка
Технические характеристики:
Условный проход, мм.: 20
Номинальное давление на выходе, МПа: 32
Номинальный расход рабочей жидкости, л./мин: 200
Масса, кг.: 8

Дроссели путевые МДО предназначены для торможения исполнительных органов станков и других стационарных машин в конце рабочего хода, а также для обеспечения малых скоростей этих органов и их быстрого возврата в начальное положение. Управление осуществляется механическим способом.
Дроссели работают с минеральными маслами, имеющими кинематическую вязкость в диапазоне от 10 до 400 сСт, при номинальной тонкости фильтрации 25 мкм, в температурных условиях масла от 10 до 70 °С и окружающей среды от 0 до 60 °С.
Эти устройства производятся на номинальное давление 32 МПа (320 кгс/см²) с различными типами соединений, включая стыковые и резьбовые, с диаметрами условного прохода 10, 20 и 32 мм, с возможностью установки обратного клапана и дросселя "ползучей" скорости.
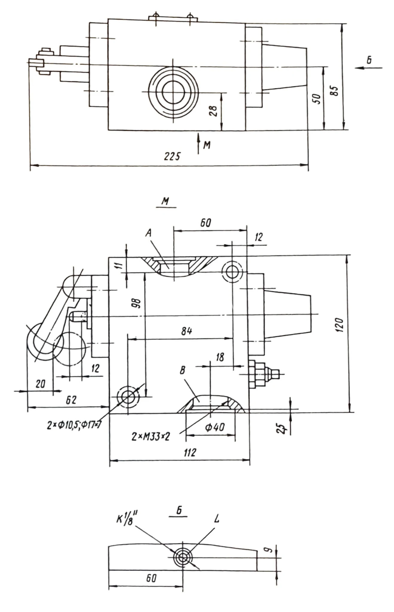
Конструкция путевого дросселя МДО представлена на рисунке 8. Ось крепежных отверстий крышки образует квадрат, что позволяет устанавливать крышку в одно из четырех положений для удобства эксплуатации. Поток масла, поступающий в отверстие А, попадает в полость обратного клапана и проходит через кольцевую щель, созданную рабочими кромками золотника и корпуса, прежде чем отводиться через отверстие В. При нажатии на ролик 5, например, кулачком на подвижном органе, поворотный рычаг 4 воздействует на толкатель 6, перемещая золотник 2 и уменьшая сечение кольцевой щели, что увеличивает дросселирование потока. Нажатие может продолжаться до полного перекрытия кольцевой щели, позволяя маслу поступать из отверстия А в В только через дроссель "ползучей" скорости. Размер потока регулируется вращением винта, что позволяет изменять "ползучую" скорость исполнительного органа. В обратном направлении поток масла проходит через обратный клапан, минуя золотник и дроссель.
Меры безопасности:
1. Обслуживание путевых дросселей может осуществлять только квалифицированный персонал, знакомый с их конструкцией и правилами эксплуатации.
2. Запрещается использовать гидроаппараты при критических параметрах, превышающих номинальные.
3. Ремонтные работы не допускаются при работающей гидросистеме, а демонтаж под давлением запрещён.
4. Рекомендуется регулярно проверять соединения путевых дросселей.
Установка и эксплуатация:
1. При распаковке дросселя необходимо проверить состояние и комплектность.
2. Консервационную смазку следует удалить с внешних поверхностей, внутренние поверхности не нуждаются в расконсервации.
3. Установка дросселя должна проводиться в удобном для обслуживания месте. Дроссель стыкового исполнения фиксируется четырьмя винтами на монтажной или промежуточной панели с шероховатостью не более 1,6 мкм и неплоскостностью 0,01 мм на длине 100 мм. Резьбовой дроссель соединяется в гидросистеме через соответствующие штуцеры, уплотнение стыковой плоскости осуществляется резиновыми кольцами.