Пневмодроссель с обратным клапаном ASC10
Оставить отзыв
Есть в наличии
Безопасность и конфиденциальность
✓ Сертифицированное оборудование
✓ Гарантия надежной эксплуатации
Гарантия доставки
✓ Контроль качества на каждом этапе
✓ Современное оборудование
✓ Быстрая отгрузка
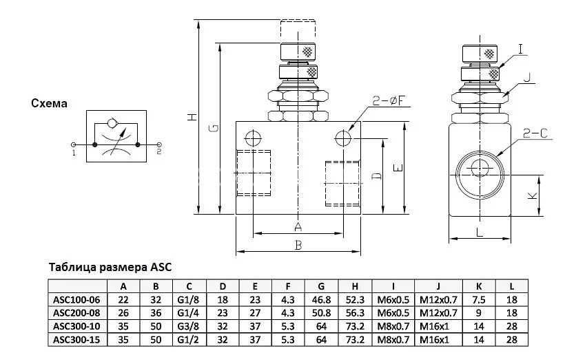
Технические характеристики:
Условный проход , мм.: 10
Номинальное давление, МПа: 1,5
Присоединение: резьбовые отверстия G ⅛
Габаритные размеры: 74×28×50 мм
Масса, кг.: 0,1

Пневмодроссели с обратным клапаном серии ASC предназначены для точного регулирования расхода воздуха, тогда как серия RE подходит для грубой настройки. Автоматический клапан. ASC: серия ASC — регулируемый пневмодроссель повышенной точности с обратным клапаном. RE: серия RE — регулируемый пневмодроссель общего назначения с обратным клапаном. (D — присоединительная резьба: Об = G1/8"; 08 = G1/4"; 10 = G3/8"; 15 = G1/2".)